So erstellen Sie einen Abstandsfang basierend auf einem anderen Objekt als dem Vorgabeobjekt

  1. Klicken Sie auf Registerkarte StartGruppe BemaßungPower-Bemaßung. Finden
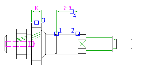
  2. Geben Sie den Ursprung der ersten (1) und zweiten (2) Hilfslinie an.
  3. Geben Sie P ein, wenn Sie aufgefordert werden, die Position der Maßlinie anzugeben.
  4. Wählen Sie das Objekt (3), auf dem der Abstandsfang basieren soll.
  5. Platzieren Sie den Mauszeiger auf der gewünschten Position und Ausrichtung der Bemaßung. Klicken Sie mit der Maus, um die Bemaßungslinie (4) einzufügen.
    Anmerkung:

    Die Maßlinie wird rot angezeigt, wenn ein vordefinierter Abstand vom Objekt gefangen wurde.

  6. Bearbeiten Sie die Bemaßungen wie gewünscht mithilfe der Einstellungen auf der kontextabhängigen Registerkarte Power-Bemaßung in der Multifunktionsleiste, oder klicken Sie auf Registerkarte Power-BemaßungDropdown-Liste Vordefiniert. Finden, und wählen Sie eine Maßtextvorlage.
  7. Klicken Sie auf Registerkarte Power-BemaßungGruppe SchließenEditor schließen. Finden