AutoCAD Mechanical gruppiert alle Einstellungen, die durch die Zeichnungsnorm definiert werden, und speichert sie in einem Profil, das als Standard bezeichnet wird.
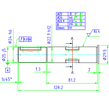
AutoCAD Mechanical enthält acht Profile dieser Art (ANSI, BSI, CSN, DIN, GB, ISO JIS und GOST), die jeweils für eine Zeichnungsnorm konfiguriert sind. Anhand dieser Einstellungen wird gesteuert, wie mit den integrierten Werkzeugen von AutoCAD Mechanical Geometrie erstellt wird. Daher gilt AutoCAD Mechanical als normenbasiert. Die folgende Abbildung zeigt eine Zeichnung einer Welle, die mithilfe der DIN-Norm erstellt wurde. Beachten Sie, dass die Anmerkungen die DIN-Norm erfüllen.

Da AutoCAD Mechanical auf Normen basiert, ist es sehr wichtig, dass Sie einer Zeichnung eine Zeichnungsnorm zuweisen. Wenn Sie eine Zeichnung erstellen, wird dieser in AutoCAD Mechanical automatisch eine Zeichnungsnorm zugewiesen.
Wenn Sie eine AutoCAD-Zeichnung öffnen oder eine Zeichnung mithilfe einer AutoCAD-Vorlage (.dwt) erstellen, wird der Zeichnung von AutoCAD Mechanical die geeignetste Norm zugewiesen. Weitere Informationen finden Sie unter Bereitstellen von Normüberschreibungen und benutzerdefinierten Normen in anderen Zeichnungen. Sie können die Zeichnungsnorm auf einfache Weise ändern.
Die Zeichnungsnorm steuert die folgenden Elemente der Norm:
Sie können alle normabhängigen Einstellungen überschreiben, sodass Ihre speziellen Anforderungen erfüllt sind. Das Programm speichert Überschreibungen zusammen mit der Norm. Wenn Sie zu einer anderen Norm wechseln, werden die Elemente der neuen Norm aktiv. Ein Wechsel der Normen während einer Zeichnungssitzung wirkt sich nicht auf die bereits in der Zeichnung vorhandenen Zeichnungsobjekte aus. Die neu gewählte Norm wird nur auf neue Objekte angewendet. Wenn Sie wieder zur Originalnorm zurückkehren, werden die vorher gültigen Einstellungen wieder aktiv.
Wenn Sie ein Element einer Norm überschreiben, werden die Überschreibungen in AutoCAD Mechanical validiert. So wird verhindert, dass Sie normverletzende Einstellungen erstellen. Sie können den Validierungsprozess jedoch umgehen, indem Sie eine benutzerdefinierte Norm erstellen und diese als aktuelle Zeichnungsnorm auswählen.
Die ANSI-Norm beschränkt die Auswahlmöglichkeiten für die Texthöhe zum Beispiel auf 0,1, 0,12 und 0,24. Erstellen Sie basierend auf der ANSI-Norm eine benutzerdefinierte Norm, um eine andere Texthöhe zu verwenden. Mithilfe der benutzerdefinierten Norm können Sie die Texthöhe auf einen beliebigen Wert setzen. Alle anderen Einstellungen entsprechen der ANSI-Norm.
Sie erstellen eine benutzerdefinierte Norm oder Normüberschreibungen für zukünftige Zeichnungen, indem Sie diese in einer Zeichnungsvorlage (*.dwt) speichern. Wenn Sie diese Vorlage als Standardvorlage festlegen, werden die normabhängigen Einstellungen der Standardvorlage jeweils auf die Zeichnung angewendet, wenn Sie eine AutoCAD-Zeichnung öffnen oder eine Zeichnung basierend auf einer AutoCAD-Vorlage erstellen. Weichen die Einheiten in der Vorgabevorlage und der AutoCAD-Zeichnung bzw. -Vorlage voneinander ab, entspricht das Verhalten von AutoCAD Mechanical dem ohne Vorgabevorlage. Wenn keine Vorgabevorlage definiert wurde, weist AutoCAD Mechanical entweder die ANSI-Norm (bei Zeichnungen mit britischen Einheiten) oder die ISO-Norm (bei metrischen Zeichnungen) zu.
Sie können Einstellungen aus einer Zeichnungsvorlage (.dwt) auch importieren, indem Sie den Befehl AMSETUPDWG verwenden. Wenn Sie Einstellungen während einer Zeichnungssitzung importieren, entspricht dies einer Änderung der Zeichnungsnorm oder der Normelemente innerhalb einer Zeichnungssitzung.