Aktivieren der Sichtbarkeit automatischer Skizzenbemaßungen

Automatische Skizzenbemaßungen sind standardmäßig ausgeblendet. Diese Bemaßungen werden nur angezeigt, wenn mindestens eine beschriftete Bemaßung in der Familie vorhanden ist.

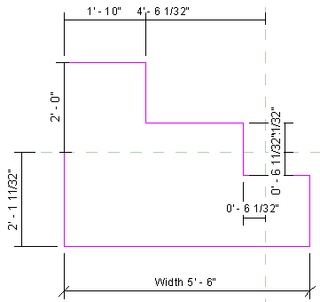
In der folgenden Abbildung wurde die Geometrie mit einer Bemaßung versehen, diese ist jedoch nicht beschriftet.

Es werden keine automatischen Skizzenbemaßungen angezeigt.

So aktivieren Sie die Sichtbarkeit automatischer Skizzenbemaßungen

  1. Wechseln Sie gegebenenfalls in den Skizziermodus, und klicken Sie auf Registerkarte Ansicht Gruppe Grafik (Sichtbarkeit/Grafiken), oder geben Sie VG ein.
  2. Erweitern Sie im Dialogfeld Sichtbarkeit/Grafiken auf der Registerkarte Beschriftungskategorien die Kategorie Bemaßungen, wählen Sie Bemaßungen aus, und aktivieren Sie die Option Automatische Skizzenbemaßungen.
  3. Klicken Sie auf OK.
  4. Fügen Sie eine Bemaßung ein, und beschriften Sie sie.

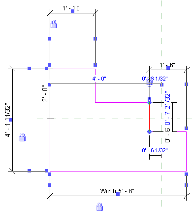
    Die automatischen Skizzenbemaßungen werden angezeigt.

Revit LT kennt nun die Position jeder Linie dieser Geometrie relativ zu Referenzebenen oder anderen Skizzenlinien.

Wenn Sie gesperrte Bemaßungen hinzufügen, ersetzen diese die automatischen Skizzenbemaßungen, wie hier gezeigt.