Bemaßungen für Querschnittsformen von Stahlelementen (sonstige)

Sie können die Werte der Bemaßungsparameter für Querschnittsformen bei sonstigen Tragwerkselementen aus Stahl überprüfen und ändern.

Diese Typeneigenschaften werden unter Verwendung des Familienkategorieparameters Querschnittsform für das Element erstellt.

Querschnittsform Verfügbare Bemaßungsparameter für die Form
Rechteckiger Stab

BBreite: die äußere Breite der Querschnittsform.

H Höhe: die äußere Höhe der Querschnittsform.

y. Schwerpunkt horizontal: die Entfernung vom Schwerpunkt der Querschnittsform zum linken Ende entlang der horizontalen Achse.

z. Schwerpunkt vertikal: die Entfernung vom Schwerpunkt der Querschnittsform zum unteren Ende entlang der vertikalen Achse.

alpha. Winkel der Hauptachsen: der Drehwinkel zwischen den Hauptachsen und den Referenzebenen des Querschnitts. Dies wird als Familienparameter für die Tragwerksbemessung aufgelistet.

Runder Stab

D. Durchmesser: der Außendurchmesser der runden Querschnittsform.

y. Schwerpunkt horizontal: die Entfernung vom Schwerpunkt der Querschnittsform zum linken Ende entlang der horizontalen Achse.

z. Schwerpunkt vertikal: die Entfernung vom Schwerpunkt der Querschnittsform zum unteren Ende entlang der vertikalen Achse.

alpha. Winkel der Hauptachsen: der Drehwinkel zwischen den Hauptachsen und den Referenzebenen des Querschnitts. Dies wird als Familienparameter für die Tragwerksbemessung aufgelistet.

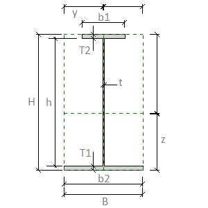
I-Profil geschweißt (Stahl durchbrochen und geschweißt)

BBreite: die äußere Breite der Querschnittsform.

H Höhe: die äußere Höhe der Querschnittsform.

T2. Dicke oberer Flansch: der Abstand zwischen den Außenflächen des oberen Flanschs in der Querschnittsform eines durchbrochenen oder geschweißten Elements.

b1. Breite oberer Flansch: die äußere Breite des oberen Flanschs in der Querschnittsform eines durchbrochenen oder geschweißten Elements.

T1. Dicke unterer Flansch: der Abstand zwischen den Außenflächen des unteren Flanschs in der Querschnittsform eines durchbrochenen oder geschweißten Elements.

b2. Breite unterer Flansch: die äußere Breite des unteren Flanschs in der Querschnittsform eines durchbrochenen oder geschweißten Elements.

t. Stegdicke: der Abstand zwischen den Außenflächen des Stegs in der Querschnittsform.

H Steghöhe: der am Steg entlang gemessene Abstand zwischen den Flanschen in der Querschnittsform.

y. Schwerpunkt horizontal: die Entfernung vom Schwerpunkt der Querschnittsform zum linken Ende entlang der horizontalen Achse.

z. Schwerpunkt vertikal: die Entfernung vom Schwerpunkt der Querschnittsform zum unteren Ende entlang der vertikalen Achse.

alpha. Winkel der Hauptachsen: der Drehwinkel zwischen den Hauptachsen und den Referenzebenen des Querschnitts. Dies wird als Familienparameter für die Tragwerksbemessung aufgelistet.