To Base Distance Snap on an Object Other than the Default

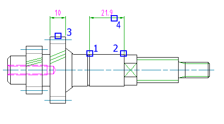
  1. Click Home tabDimension panelPower Dimension. Find
  2. Specify the first (1) and second (2) extension line origin.
  3. When prompted for the dimension line location, enter P.
  4. Select the object (3) on which to base distance snap.
  5. Move the pointer to the desired position and orientation of the dimension. Click to place the dimension line (4).
    Note:

    The dimension line turns red when it snaps to a preset distance from the object.

  6. Edit the dimension as required, using the settings on the Power Dimensioning ribbon contextual tab, or click Power Dimensioning tabPredefined drop-down. Find and select a predefined dimension text template.
  7. Click Power Dimensioning tabClose panel Close Editor. Find