Frame Layout - Creating - Example

Creating a Multiple Service Frame Layout

  1. Open the required model for coordination.

  2. Click Frame Layout.

  3. Click Properties, Fill the appropriate fields as required, Select Ok to finalise the command.

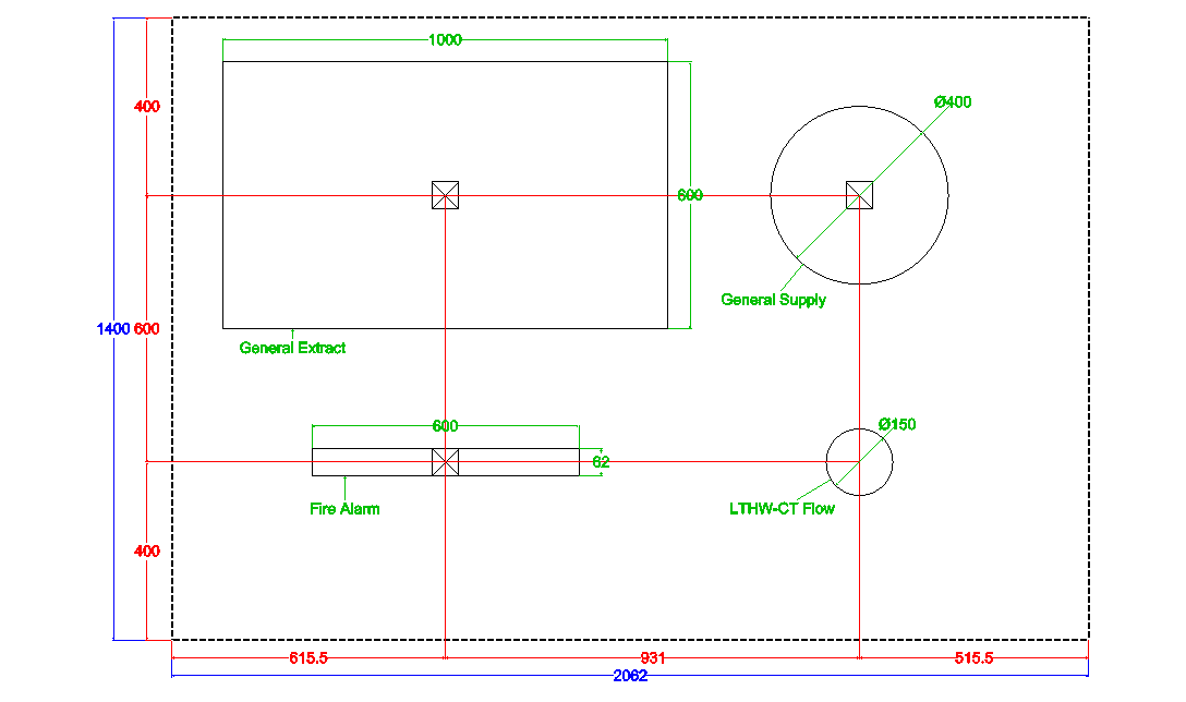
    Name : Service Corridor

    Service Frame Width : 2062.00 mm

    Service Frame Depth : 1400.00 mm

    Module Length : 3000.00 mm

  4. The Service frame layout will reflect the previously inputted information.

Applying an Object to a Frame Layout

  1. Click Add Object, Select within the Service frame layout an appropriate datum point location for the Service run.
    Note: This requires a two click procedure.
  2. An alternative method of applying objects into the Frame layout, Click Add Object, then accordingly move the mouse cursor, then type the relative co-ordinate to insert the Object. For example 615.5,100. This will locate the object in the latter (X,Y) co-ordinates, relative to (0,0) situated in the lower left hand corner of the frame layout.

Customising / Configurating an Object

An object can be configured with various functionality, the available options stated below :

All the above object points reference from a common datum point X,Y (0,0) situated in the lower left hand corner of the service frame layout. Individual objects can be, manually moved or customised with the "Option / Value" dialog. Options will vary dependent on the Type set in the dialog.

  1. Configure the Option / Value dialog to reflect the below settings.

    Service Point

  2. Select Save, the pre-configured Frame layout will be automatically added in to the Edit drop-down menu.

Applying additional Service Points

  1. By repeating the "Applying Reference Point / Service Frame Layout method. Apply the following Service runs into the existing Frame Layout "Service Corridor".

    HVAC : General Supply - Round Spiral

    Electrical Containment : Fire Alarm

    Space & Heating : LTHW-CT - Flow

  2. Select Save, this will update the "Service Corridor" layout.

    "Service Corridor"

  3. Select "OK" to finalise and close the Frame layout command. Utilise the created Frame Layout with the Multi Service Line command.