 
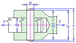
Recommended values:
d = (0.2 -0.3) D
D 1 = (1.5 - 2) D - for steel and cast steel
D 1 = 2.5 D - for gray cast iron
Active Pin Length
The pin active length l f is a length reduced by chamfering and filleting. The active length usually carries loading.
Formulas
Shear stress check
 
Contact pressure check
 
Interpretations of symbols in metric units:
| τ | shear stress [MPa]. | 
| τ A | allowable shear stress [MPa]. | 
| d | pin diameter [mm]. | 
| p 1 | pressure in the draw rod [MPa]. | 
| p 2 | pressure in the sleeve [MPa]. | 
| p 1A | allowable pressure in the sleeve [MPa]. | 
| p 2A | allowable pressure in the draw rod [MPa]. | 
| D | draw rod diameter [mm]. | 
| D 1 | sleeve diameter [mm]. | 
Interpretations of symbols in English units:
| τ | shear stress [psi] | 
| τ A | allowable shear stress [psi] | 
| d | pin diameter [in] | 
| p 1 | pressure in the draw rod [psi] | 
| p 2 | pressure in the sleeve [psi] | 
| p 1A | allowable pressure in the sleeve [psi] | 
| p 2A | allowable pressure in the draw rod [psi] | 
| D | draw rod diameter [in] | 
| D 1 | sleeve diameter [in] |