 
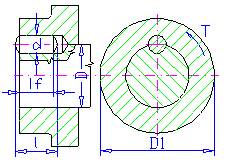
Recommended values
d = (0.12 - 0.25) D
l = (1 - 1.5) D
Active Pin Length
The pin active length l f is a length reduced by chamfering and filleting. The active length usually carries loading.
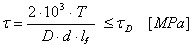
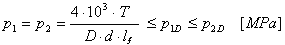
Formulas in metric units
Transferred torque
 
Shear stress check
 
Contact pressure check
 
where:
| P | transferred power [kW] | |
| n | speed [rpm] | |
| T | torque [Nm] | |
| τ | shear stress [MPa] | |
| τ A | allowable shear stress [MPa] | |
| d | pin diameter [mm] | |
| p 1 | pressure in the shaft [MPa] | |
| p 2 | pressure in the hub [MPa] | |
| p 1A | allowable pressure in the shaft [MPa] | |
| p 2A | allowable pressure in the hub [MPa] | |
| D | shaft diameter [mm] | |
| D 1 | hub diameter [mm] | |
| l f | active pin length [mm] | 
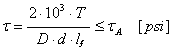
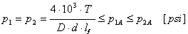
Formulas in English units
Transferred torque
 
Shear stress check
 
Contact pressure check
 
where:
| P | transferred power [HP] | |
| n | speed [rpm] | |
| T | torque [lb ft] | |
| τ | shear stress [psi] | |
| τ A | allowable shear stress [psi] | |
| d | pin diameter [in] | |
| p 1 | pressure in the shaft [psi] | |
| p 2 | pressure in the hub [psi | |
| p 1A | allowable pressure in the shaft [psi] | |
| p 2A | allowable pressure in the hub [psi] | |
| D | shaft diameter [in] | |
| D 1 | hub diameter [in] | |
| l f | active pin length [in] |