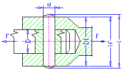
Recommended values:
d = (0.2 -0.3) D
D 1 = (1.5 - 2) D - for steel and cast steel
D 1 = 2.5 D - for gray cast iron
Active Pin Length
The pin active length l f is a length reduced by chamfering and filleting. The active length usually carries loading.
Formulas
Shear stress check
Contact pressure check
Interpretations of symbols in metric units:
| τ |
shear stress [MPa]. |
|
τ A |
allowable shear stress [MPa]. |
|
d |
pin diameter [mm]. |
|
p 1 |
pressure in the draw rod [MPa]. |
|
p 2 |
pressure in the sleeve [MPa]. |
|
p 1A |
allowable pressure in the sleeve [MPa]. |
|
p 2A |
allowable pressure in the draw rod [MPa]. |
|
D |
draw rod diameter [mm]. |
|
D 1 |
sleeve diameter [mm]. |
Interpretations of symbols in English units:
| τ |
shear stress [psi] |
|
τ A |
allowable shear stress [psi] |
|
d |
pin diameter [in] |
|
p 1 |
pressure in the draw rod [psi] |
|
p 2 |
pressure in the sleeve [psi] |
|
p 1A |
allowable pressure in the sleeve [psi] |
|
p 2A |
allowable pressure in the draw rod [psi] |
|
D |
draw rod diameter [in] |
|
D 1 |
sleeve diameter [in] |