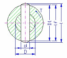
Recommended values:
d = (0.2 - 0.3) D
D 1 = (1.5 - 2) D - for steel and cast steel
D 1 = 2.5 D - for gray cast iron
Active Pin Length
The pin active length l f is a length reduced by chamfering and filleting. The active length usually carries loading.
Formulas in metric units
Bending stress
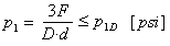
Pressure in rod
Pressure in clevis
Shear stress
where:
|
F |
force [N] |
|
|
σ 0 |
bending stress [MPa] |
|
|
σ 0D |
allowable bending stress [MPa] |
|
|
M 0 |
bending moment [N mm] |
|
|
W 0 |
bending section modulus [mm 3 ] |
|
| τ |
shear stress [MPa] |
|
|
τ D |
allowable shear stress [MPa] |
|
|
d |
pin diameter [mm] |
|
|
p 1 |
pressure in rod [MPa] |
|
|
p 2 |
pressure in clevis [MPa] |
|
|
p 1D |
allowable pressure in rod [MPa] |
|
|
p 2D |
allowable pressure in clevis [MPa] |
|
|
b |
rod width [mm] |
|
|
a |
clevis arm width [mm] |
|
|
D |
shaft diameter [mm] |
Formulas in English units
Bending stress
Pressure in rod
Pressure in clevis
Shear stress
where:
|
F |
force [lb] |
|
|
σ 0 |
bending stress [psi] |
|
|
σ 0D |
allowable bending stress [psi] |
|
|
M 0 |
bending moment [ln ft] |
|
|
W 0 |
bending section modulus [in 3 ] |
|
| τ |
shear stress [psi] |
|
|
τ D |
allowable shear stress [psi] |
|
|
d |
pin diameter [in] |
|
|
p 1 |
pressure in rod [psi] |
|
|
p 2 |
pressure in clevis [psi] |
|
|
p 1D |
allowable pressure in rod [psi] |
|
|
p 2D |
allowable pressure in clevis [psi] |
|
|
b |
rod width [in] |
|
|
a |
clevis arm width [in] |
|
|
D |
shaft diameter [in] |