A callout tag is an annotation element that marks the location of a callout in a parent view.
Settings panel
Additional Settings drop-down, and select the appropriate tool. 
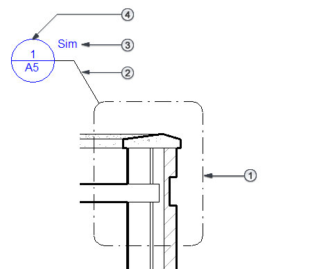
The callout tag consists of the following parts:
Callout bubble. The line drawn around part of the parent view to define the callout area.
Leader line. A line that connects the callout head to the callout bubble.
Reference label. For reference callouts only. Text displayed in a callout tag to provide information about the callout.
Callout head. A symbol that identifies the callout. When you place the callout on a sheet, the callout head displays the corresponding detail number and sheet number by default.