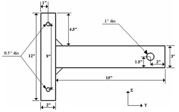
- Construct the 2-D cross-section of a weldment shown in the following image.
- Create the outline of the geometry using construction objects and generate a 2-D mesh using an absolute mesh size of 0.15 inch. The YZ sketch plane will be used because 2-D models must be confined to the YZ plane.
- The welds are 1" x 1".
Next