Se pueden crear varios tipos de cotas para una gran variedad de tipos de objeto con muchas orientaciones y alineaciones.
Los tipos básicos de cotas son lineales, radiales, angulares, por coordenadas y de longitud de arco. Utilice el comando ACOTA para crear cotas automáticamente según el tipo de objeto que desee acotar.
Puede controlar el aspecto de los estilos de cota mediante la configuración de estilos de cota o la edición de cotas individuales en casos especiales. Los estilos de cota permiten especificar rápidamente las convenciones y mantener las normas de acotación del sector o el proyecto.
Una cota lineal puede ser horizontal, vertical o alineada. Con el comando ACOTA puede crear una cota alineada, horizontal o vertical en función de cómo el desplace el cursor al colocar el texto.


Una cota radial mide el radio o el diámetro de los arcos y los círculos con un eje o una marca de centro opcionales. En la ilustración aparecen varias opciones.

Las cotas angulares miden el ángulo formado por dos objetos geométricos o tres puntos. De izquierda a derecha, el ejemplo muestra la cota angular creada mediante un vértice y dos puntos, un arco y dos líneas.

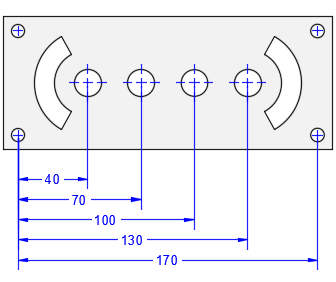
Las cotas por coordenadas miden las distancias perpendiculares desde un punto de origen denominado punto de referencia como, por ejemplo, el agujero de una pieza. La acotación por coordenadas evita los errores de escala, al mantener desfases exactos de los objetos con respecto al punto de referencia.

En este ejemplo, el punto de referencia (0,0) se indica como el agujero ubicado en la esquina inferior izquierda del panel de la ilustración.
Las cotas de longitud de arco miden la distancia del segmento de un arco de polilínea o un arco. Entre los usos habituales de las cotas de longitud de arco se incluyen la medición del trayecto alrededor de una leva o bien la indicación de la longitud de un cable.
Para diferenciarlas de las cotas lineales o angulares, las cotas de longitud de arco muestran por defecto un símbolo de arco. El símbolo de arco, también conocido por sombrero, se muestra por encima o delante del texto de cota.

Las cotas continuadas, denominadas también cotas continuas, son varias cotas ubicadas de extremo a extremo.

Las cotas de línea base son varias cotas con líneas de cota de desfase que se miden desde la misma ubicación.
