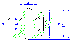
Valores recomendados:
d = (0,2 -0,3) D
D 1 = (1,5 - 2) D - para acero y acero fundido
D 1 = 2,5 D - para hierro fundido gris
Longitud activa del pasador
La longitud activa del pasador l f disminuye con los chalanes y los empalmes. y suele soportar la carga.
Fórmulas
Comprobación de tensión de corte
Comprobación de presión de contacto
Interpretación de los símbolos en unidades métricas:
| τ |
tensión de corte [MPa] |
|
τ A |
tensión de corte admitida [MPa] |
|
d |
diámetro del pasador [mm] |
|
p 1 |
presión en la varilla de tracción [MPa] |
|
p 2 |
presión en la manga [MPa] |
|
p 1A |
presión admitida en la manga [MPa] |
|
p 2A |
presión admitida en la varilla de tracción [MPa] |
|
D |
diámetro de la varilla de tracción [mm] |
|
D 1 |
diámetro de la manga [mm] |
Interpretación de los símbolos en unidades imperiales:
| τ |
tensión de corte [lpc] |
|
τ A |
tensión de corte admitida [lpc] |
|
d |
diámetro del pasador [pulg] |
|
p 1 |
presión en la varilla de tracción [lpc] |
|
p 2 |
presión en la manga [lpc] |
|
p 1A |
presión admitida en la manga [lpc] |
|
p 2A |
presión admitida en la varilla de tracción [lpc] |
|
D |
diámetro de la varilla de tracción [pulg] |
|
D 1 |
diámetro de la manga [pulg] |