Cotes de forme de coupe en acier plié à froid

Passez en revue et modifiez les valeurs des paramètres de cote de forme de coupe des éléments d'ossature en acier plié à froid.

Ces propriétés de type sont créées à partir du paramètre de catégorie de famille Forme de coupe de l'élément.

Forme de coupe Paramètres de forme de cote disponibles
Eléments de structure creux rectangulaires (acier plié à froid)

B. : Largeur : largeur externe de la forme de coupe.

H. Hauteur : hauteur externe de la forme de coupe.

T. Epaisseur de conception du mur : épaisseur de conception perpendiculaire entre les surfaces extérieure et intérieure d'une forme de coupe.

t. Epaisseur nominale du mur : distance perpendiculaire moyenne entre les surfaces intérieure et extérieure de la forme de coupe.

r1. Congé interne : rayon du congé d'angle interne d'une forme de tube de construction rectangulaire.

r2. Congé externe : rayon du congé d'angle externe d'une forme de tube de construction rectangulaire.

y. Centre de gravité horizontal : distance entre le centre de gravité de la forme de coupe et les extrémités de gauche le long de l'axe horizontal.

z . Centre de gravité vertical : distance entre le centre de gravité de la forme de coupe et les extrémités inférieures le long de l'axe vertical.

alpha. Angle des axes principaux : angle de rotation entre les axes principaux et les plans de référence de la coupe. Cette option est répertoriée en tant que paramètre de famille Analyse structurelle.

Eléments de structure creux ronds (acier plié à froid)

D.. Diamètre : diamètre externe de la forme de coupe circulaire.

T. Epaisseur de conception du mur : épaisseur de conception perpendiculaire entre les surfaces extérieure et intérieure d'une forme de coupe.

t. Epaisseur nominale du mur : distance perpendiculaire moyenne entre les surfaces intérieure et extérieure de la forme de coupe.

y. Centre de gravité horizontal : distance entre le centre de gravité de la forme de coupe et les extrémités de gauche le long de l'axe horizontal.

z . Centre de gravité vertical : distance entre le centre de gravité de la forme de coupe et les extrémités inférieures le long de l'axe vertical.

alpha. Angle des axes principaux : angle de rotation entre les axes principaux et les plans de référence de la coupe. Cette option est répertoriée en tant que paramètre de famille Analyse structurelle.

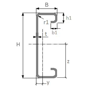
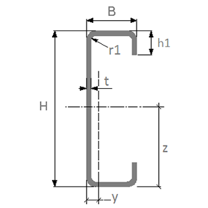
Profilé en U

B. : Largeur : largeur externe de la forme de coupe.

H. Hauteur : hauteur externe de la forme de coupe.

T. Epaisseur de conception du mur : épaisseur de conception perpendiculaire entre les surfaces extérieure et intérieure d'une forme de coupe.

t. Epaisseur nominale du mur : distance perpendiculaire moyenne entre les surfaces intérieure et extérieure de la forme de coupe.

r1. Congé interne : rayon du congé d'angle interne d'une courbure dans une forme de coupe en acier plié à froid.

r2. Congé externe : rayon du congé d'angle externe d'une courbure dans une forme de coupe en acier plié à froid.

y. Centre de gravité horizontal : distance entre le centre de gravité de la forme de coupe et les extrémités de gauche le long de l'axe horizontal.

z . Centre de gravité vertical : distance entre le centre de gravité de la forme de coupe et les extrémités inférieures le long de l'axe vertical.

alpha. Angle des axes principaux : angle de rotation entre les axes principaux et les plans de référence de la coupe. Cette option est répertoriée en tant que paramètre de famille Analyse structurelle.

Profilé en U avec pli

B. : Largeur : largeur externe de la forme de coupe.

H. Hauteur : hauteur externe de la forme de coupe.

h1. Longueur de la balèvre : distance entre la surface extérieure de la forme de coupe et l'extrémité du segment de balèvre.

b1. Longueur du pli : distance entre la surface extérieure du segment de balèvre et l'extrémité du segment plié.

T. Epaisseur de conception du mur : épaisseur de conception perpendiculaire entre les surfaces extérieure et intérieure d'une forme de coupe.

t. Epaisseur nominale du mur : distance perpendiculaire moyenne entre les surfaces intérieure et extérieure de la forme de coupe.

r1. Congé interne : rayon du congé d'angle interne d'une courbure dans une forme de coupe en acier plié à froid.

r2. Congé externe : rayon du congé d'angle externe d'une courbure dans une forme de coupe en acier plié à froid.

y. Centre de gravité horizontal : distance entre le centre de gravité de la forme de coupe et les extrémités de gauche le long de l'axe horizontal.

z . Centre de gravité vertical : distance entre le centre de gravité de la forme de coupe et les extrémités inférieures le long de l'axe vertical.

alpha. Angle des axes principaux : angle de rotation entre les axes principaux et les plans de référence de la coupe. Cette option est répertoriée en tant que paramètre de famille Analyse structurelle.

Profil en U avec balèvres

B. : Largeur : largeur externe de la forme de coupe.

H. Hauteur : hauteur externe de la forme de coupe.

h1. Longueur de la balèvre : distance entre la surface extérieure de la forme de coupe et l'extrémité du segment de balèvre.

T. Epaisseur de conception du mur : épaisseur de conception perpendiculaire entre les surfaces extérieure et intérieure d'une forme de coupe.

t. Epaisseur nominale du mur : distance perpendiculaire moyenne entre les surfaces intérieure et extérieure de la forme de coupe.

r1. Congé interne : rayon du congé d'angle interne d'une courbure dans une forme de coupe en acier plié à froid.

r2. Congé externe : rayon du congé d'angle externe d'une courbure dans une forme de coupe en acier plié à froid.

y. Centre de gravité horizontal : distance entre le centre de gravité de la forme de coupe et les extrémités de gauche le long de l'axe horizontal.

z . Centre de gravité vertical : distance entre le centre de gravité de la forme de coupe et les extrémités inférieures le long de l'axe vertical.

alpha. Angle des axes principaux : angle de rotation entre les axes principaux et les plans de référence de la coupe. Cette option est répertoriée en tant que paramètre de famille Analyse structurelle.

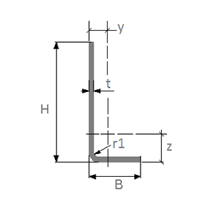
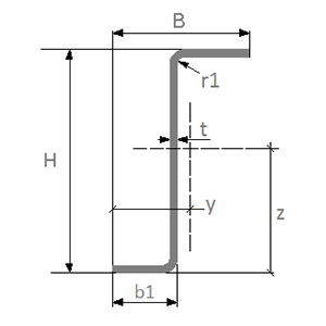
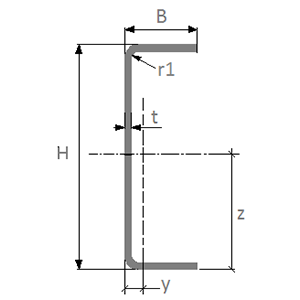
Profil L

B. : Largeur : largeur externe de la forme de coupe.

H. Hauteur : hauteur externe de la forme de coupe.

T. Epaisseur de conception du mur : épaisseur de conception perpendiculaire entre les surfaces extérieure et intérieure d'une forme de coupe.

t. Epaisseur nominale du mur : distance perpendiculaire moyenne entre les surfaces intérieure et extérieure de la forme de coupe.

r1. Congé interne : rayon du congé d'angle interne d'une courbure dans une forme de coupe en acier plié à froid.

r2. Congé externe : rayon du congé d'angle externe d'une courbure dans une forme de coupe en acier plié à froid.

y. Centre de gravité horizontal : distance entre le centre de gravité de la forme de coupe et les extrémités de gauche le long de l'axe horizontal.

z . Centre de gravité vertical : distance entre le centre de gravité de la forme de coupe et les extrémités inférieures le long de l'axe vertical.

alpha. Angle des axes principaux : angle de rotation entre les axes principaux et les plans de référence de la coupe. Cette option est répertoriée en tant que paramètre de famille Analyse structurelle.

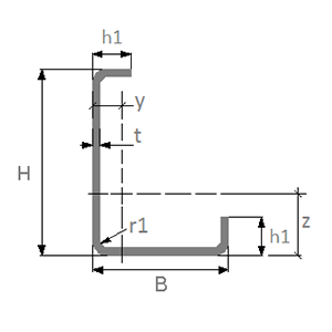
Profils en L avec balèvres

B. : Largeur : largeur externe de la forme de coupe.

H. Hauteur : hauteur externe de la forme de coupe.

h1. Longueur de la balèvre : distance entre la surface extérieure de la forme de coupe et l'extrémité du segment de balèvre.

T. Epaisseur de conception du mur : épaisseur de conception perpendiculaire entre les surfaces extérieure et intérieure d'une forme de coupe.

t. Epaisseur nominale du mur : distance perpendiculaire moyenne entre les surfaces intérieure et extérieure de la forme de coupe.

r1. Congé interne : rayon du congé d'angle interne d'une courbure dans une forme de coupe en acier plié à froid.

r2. Congé externe : rayon du congé d'angle externe d'une courbure dans une forme de coupe en acier plié à froid.

y. Centre de gravité horizontal : distance entre le centre de gravité de la forme de coupe et les extrémités de gauche le long de l'axe horizontal.

z . Centre de gravité vertical : distance entre le centre de gravité de la forme de coupe et les extrémités inférieures le long de l'axe vertical.

alpha. Angle des axes principaux : angle de rotation entre les axes principaux et les plans de référence de la coupe. Cette option est répertoriée en tant que paramètre de famille Analyse structurelle.

Profil sigma

B. : Largeur : largeur externe de la forme de coupe.

H. Hauteur : hauteur externe de la forme de coupe.

b2. Largeur de la courbure : distance entre les extrémités de gauche de la forme de coupe et la surface extérieure du segment de courbure central.

h2. Longueur de courbure centrale : longueur de la surface intérieure du segment de courbure central.

T. Epaisseur de conception du mur : épaisseur de conception perpendiculaire entre les surfaces extérieure et intérieure d'une forme de coupe.

t. Epaisseur nominale du mur : distance perpendiculaire moyenne entre les surfaces intérieure et extérieure de la forme de coupe.

r1. Congé interne : rayon du congé d'angle interne d'une courbure dans une forme de coupe en acier plié à froid.

r2. Congé externe : rayon du congé d'angle externe d'une courbure dans une forme de coupe en acier plié à froid.

y. Centre de gravité horizontal : distance entre le centre de gravité de la forme de coupe et les extrémités de gauche le long de l'axe horizontal.

z . Centre de gravité vertical : distance entre le centre de gravité de la forme de coupe et les extrémités inférieures le long de l'axe vertical.

alpha. Angle des axes principaux : angle de rotation entre les axes principaux et les plans de référence de la coupe. Cette option est répertoriée en tant que paramètre de famille Analyse structurelle.

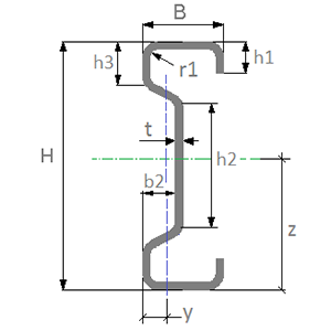
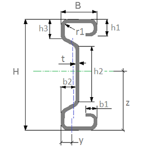
Profil sigma avec pli

B. : Largeur : largeur externe de la forme de coupe.

H. Hauteur : hauteur externe de la forme de coupe.

b1. Longueur du pli : distance entre la surface extérieure du segment de balèvre et l'extrémité du segment plié.

h1. Longueur de la balèvre : distance entre la surface extérieure de la forme de coupe et l'extrémité du segment de balèvre.

b2. Largeur de la courbure : distance entre les extrémités de gauche de la forme de coupe et la surface extérieure du segment de courbure central.

h2. Longueur de courbure centrale : longueur de la surface intérieure du segment de courbure central.

h3. Longueur de courbure supérieure : la distance entre la surface extérieure du haut de la forme de coupe et à la fin de la partie supérieure de la boîte de raccordement.

T. Epaisseur de conception du mur : épaisseur de conception perpendiculaire entre les surfaces extérieure et intérieure d'une forme de coupe.

t. Epaisseur nominale du mur : distance perpendiculaire moyenne entre les surfaces intérieure et extérieure de la forme de coupe.

r1. Congé interne : rayon du congé d'angle interne d'une courbure dans une forme de coupe en acier plié à froid.

r2. Congé externe : rayon du congé d'angle externe d'une courbure dans une forme de coupe en acier plié à froid.

y. Centre de gravité horizontal : distance entre le centre de gravité de la forme de coupe et les extrémités de gauche le long de l'axe horizontal.

z . Centre de gravité vertical : distance entre le centre de gravité de la forme de coupe et les extrémités inférieures le long de l'axe vertical.

alpha. Angle des axes principaux : angle de rotation entre les axes principaux et les plans de référence de la coupe. Cette option est répertoriée en tant que paramètre de famille Analyse structurelle.

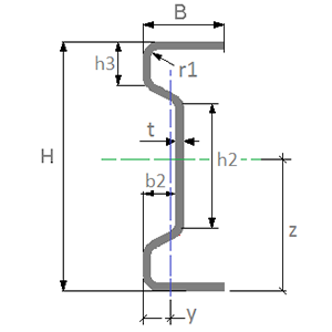
Profil sigma avec balèvres

B. : Largeur : largeur externe de la forme de coupe.

H. Hauteur : hauteur externe de la forme de coupe.

b2. Largeur de la courbure : distance entre les extrémités de gauche de la forme de coupe et la surface extérieure du segment de courbure central.

h1. Longueur de la balèvre : distance entre la surface extérieure de la forme de coupe et l'extrémité du segment de balèvre.

h2. Longueur de courbure centrale : longueur de la surface intérieure du segment de courbure central.

h3. Longueur de courbure supérieure : la distance entre la surface extérieure du haut de la forme de coupe et à la fin de la partie supérieure de la boîte de raccordement.

T. Epaisseur de conception du mur : épaisseur de conception perpendiculaire entre les surfaces extérieure et intérieure d'une forme de coupe.

t. Epaisseur nominale du mur : distance perpendiculaire moyenne entre les surfaces intérieure et extérieure de la forme de coupe.

r1. Congé interne : rayon du congé d'angle interne d'une courbure dans une forme de coupe en acier plié à froid.

r2. Congé externe : rayon du congé d'angle externe d'une courbure dans une forme de coupe en acier plié à froid.

y. Centre de gravité horizontal : distance entre le centre de gravité de la forme de coupe et les extrémités de gauche le long de l'axe horizontal.

z . Centre de gravité vertical : distance entre le centre de gravité de la forme de coupe et les extrémités inférieures le long de l'axe vertical.

alpha. Angle des axes principaux : angle de rotation entre les axes principaux et les plans de référence de la coupe. Cette option est répertoriée en tant que paramètre de famille Analyse structurelle.

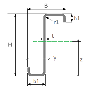
Profil en Z

B. : Largeur : largeur externe de la forme de coupe.

H. Hauteur : hauteur externe de la forme de coupe.

b1. Longueur de la bride inférieure : distance entre la surface intérieure de la forme de la coupe et l'extrémité du segment de l'aile inférieure.

T. Epaisseur de conception du mur : épaisseur de conception perpendiculaire entre les surfaces extérieure et intérieure d'une forme de coupe.

t. Epaisseur nominale du mur : distance perpendiculaire moyenne entre les surfaces intérieure et extérieure de la forme de coupe.

r1. Congé interne : rayon du congé d'angle interne d'une courbure dans une forme de coupe en acier plié à froid.

r2. Congé externe : rayon du congé d'angle externe d'une courbure dans une forme de coupe en acier plié à froid.

y. Centre de gravité horizontal : distance entre le centre de gravité de la forme de coupe et les extrémités de gauche le long de l'axe horizontal.

z . Centre de gravité vertical : distance entre le centre de gravité de la forme de coupe et les extrémités inférieures le long de l'axe vertical.

alpha. Angle des axes principaux : angle de rotation entre les axes principaux et les plans de référence de la coupe. Cette option est répertoriée en tant que paramètre de famille Analyse structurelle.

Profil en Z avec balèvres

B. : Largeur : largeur externe de la forme de coupe.

H. Hauteur : hauteur externe de la forme de coupe.

b1. Longueur de la bride inférieure : distance entre la surface intérieure de la forme de la coupe et l'extrémité du segment de l'aile inférieure.

h1. Longueur de la balèvre : distance entre la surface extérieure de la forme de coupe et l'extrémité du segment de balèvre.

T. Epaisseur de conception du mur : épaisseur de conception perpendiculaire entre les surfaces extérieure et intérieure d'une forme de coupe.

t. Epaisseur nominale du mur : distance perpendiculaire moyenne entre les surfaces intérieure et extérieure de la forme de coupe.

r1. Congé interne : rayon du congé d'angle interne d'une courbure dans une forme de coupe en acier plié à froid.

r2. Congé externe : rayon du congé d'angle externe d'une courbure dans une forme de coupe en acier plié à froid.

y. Centre de gravité horizontal : distance entre le centre de gravité de la forme de coupe et les extrémités de gauche le long de l'axe horizontal.

z . Centre de gravité vertical : distance entre le centre de gravité de la forme de coupe et les extrémités inférieures le long de l'axe vertical.

alpha. Angle des axes principaux : angle de rotation entre les axes principaux et les plans de référence de la coupe. Cette option est répertoriée en tant que paramètre de famille Analyse structurelle.