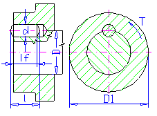
Valori consigliati
d = (0,12 - 0,25) D
l = (1 -1,5) D
Lunghezza attiva perno
La lunghezza attiva del perno l f è una lunghezza ridotta utilizzando cimatura e raccordi. Generalmente, la lunghezza attiva consente di trasportare carichi.
Formule in unità metriche
Momento trasferito
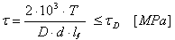
Verifica della sollecitazione a taglio
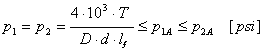
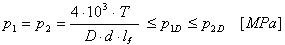
Verifica della pressione di contatto
dove:
|
P |
potenza trasferita [kW] |
|
|
n |
velocità [rpm] |
|
|
T |
momento [Nm] |
|
| τ |
sollecitazione a taglio [MPa] |
|
|
τ A |
sollecitazione a taglio ammissibile [MPa] |
|
|
d |
diametro del perno [mm] |
|
|
p 1 |
pressione nell'albero [MPa] |
|
|
p 2 |
pressione nel mozzo [MPa] |
|
|
p 1A |
pressione ammissibile nell'albero [MPa] |
|
|
p 2A |
pressione ammissibile nel mozzo [MPa] |
|
|
D |
diametro albero [mm] |
|
|
D 1 |
diametro del mozzo [mm] |
|
|
l f |
lunghezza attiva del perno [mm] |
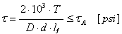
Formule in unità inglesi
Momento trasferito
Verifica della sollecitazione a taglio
Verifica della pressione di contatto
dove:
|
P |
potenza trasferita [HP] |
|
|
n |
velocità [rpm] |
|
|
T |
momento [lb ft] |
|
| τ |
sollecitazione a taglio [psi] |
|
|
τ A |
sollecitazione a taglio ammissibile [psi] |
|
|
d |
diametro del perno [in] |
|
|
p 1 |
pressione nell'albero [psi] |
|
|
p 2 |
pressione nel mozzo [psi] |
|
|
p 1A |
pressione ammissibile nell'albero [psi] |
|
|
p 2A |
pressione ammissibile nel mozzo [psi] |
|
|
D |
diametro albero [in] |
|
|
D 1 |
diametro del mozzo [in] |
|
|
l f |
lunghezza attiva del perno [in] |