Valori consigliati:
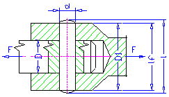
d = (0,2 -0,3) D
D 1 = (1,5 - 2) D - per acciaio e acciaio fuso
D 1 = 2,5 D - per ghisa grigia fusa
Lunghezza attiva perno
La lunghezza attiva del perno l f è una lunghezza ridotta utilizzando cimatura e raccordi. Generalmente, la lunghezza attiva consente di trasportare carichi.
Formule
Verifica della sollecitazione a taglio
Verifica della pressione di contatto
Interpretazioni dei simboli nelle unità metriche:
| τ |
Sollecitazione a taglio [MPa]. |
|
τ A |
Sollecitazione a taglio ammissibile [MPa]. |
|
d |
Diametro del perno [mm]. |
|
p 1 |
pressione nell'asta di trascinamento [MPa]. |
|
p 2 |
pressione nel manicotto [MPa]. |
|
p 1A |
pressione ammissibile nel manicotto [MPa]. |
|
p 2A |
pressione ammissibile nell'asta di trascinamento [MPa]. |
|
D |
diametro dell'asta di trascinamento [mm]. |
|
D 1 |
diametro del manicotto [mm]. |
Interpretazioni dei simboli nelle unità inglesi:
| τ |
sollecitazione a taglio [psi] |
|
τ A |
sollecitazione a taglio ammissibile [psi] |
|
d |
diametro del perno [in] |
|
p 1 |
pressione nell'asta di trascinamento [psi] |
|
p 2 |
pressione nel manicotto [psi] |
|
p 1A |
pressione ammissibile nel manicotto [psi] |
|
p 2A |
pressione ammissibile nell'asta di trascinamento [psi] |
|
D |
diametro dell'asta di trascinamento [in] |
|
D 1 |
diametro del manicotto [in] |