Quote della forma di sezione - Acciaio lavorato a freddo

È possibile esaminare e modificare i valori dei parametri di quota per la forma di sezione degli elementi del telaio strutturale in acciaio lavorato a freddo.

Tali proprietà del tipo vengono create in base al parametro della categoria di famiglia Forma sezione dell'elemento.

Forma di sezione Parametri di quota della forma disponibili
HSS rettangolare (acciaio lavorato a freddo)

B. Larghezza: larghezza esterna della forma di sezione.

H. Altezza: altezza esterna della forma di sezione.

T. Spessore di progettazione parete: spessore perpendicolare di progettazione tra le superfici interna ed esterna di una forma di sezione.

t. Spessore nominale parete: distanza perpendicolare media tra le superfici interna ed esterna della forma di sezione.

r1. Raccordo interno: raggio del raccordo su angolo interno di una forma di sezione strutturale cava rettangolare.

r2. Raccordo esterno: raggio del raccordo su angolo esterno di una forma di sezione strutturale cava rettangolare.

y. Baricentro orizzontale: distanza tra il baricentro della forma di sezione e le estremità sinistre lungo l'asse orizzontale.

z. Baricentro verticale: distanza tra il baricentro della forma di sezione e le estremità inferiori lungo l'asse verticale.

alpha. Angolo assi principali: angolo di rotazione tra gli assi principali e i piani di riferimento della sezione trasversale. Questo parametro è elencato come parametro famiglia di Analisi strutturale.

HSS circolare (acciaio lavorato a freddo)

D. Diametro: diametro esterno della forma di sezione circolare.

T. Spessore di progettazione parete: spessore perpendicolare di progettazione tra le superfici interna ed esterna di una forma di sezione.

t. Spessore nominale parete: distanza perpendicolare media tra le superfici interna ed esterna della forma di sezione.

y. Baricentro orizzontale: distanza tra il baricentro della forma di sezione e le estremità sinistre lungo l'asse orizzontale.

z. Baricentro verticale: distanza tra il baricentro della forma di sezione e le estremità inferiori lungo l'asse verticale.

alpha. Angolo assi principali: angolo di rotazione tra gli assi principali e i piani di riferimento della sezione trasversale. Questo parametro è elencato come parametro famiglia di Analisi strutturale.

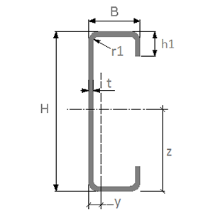
Profilato a C

B. Larghezza: larghezza esterna della forma di sezione.

H. Altezza: altezza esterna della forma di sezione.

T. Spessore di progettazione parete: spessore perpendicolare di progettazione tra le superfici interna ed esterna di una forma di sezione.

t. Spessore nominale parete: distanza perpendicolare media tra le superfici interna ed esterna della forma di sezione.

r1. Raccordo interno: raggio del raccordo su angolo interno di una curvatura in una forma di sezione in acciaio lavorato a freddo.

r2. Raccordo esterno: raggio del raccordo su angolo esterno di una curvatura in una forma di sezione in acciaio lavorato a freddo.

y. Baricentro orizzontale: distanza tra il baricentro della forma di sezione e le estremità sinistre lungo l'asse orizzontale.

z. Baricentro verticale: distanza tra il baricentro della forma di sezione e le estremità inferiori lungo l'asse verticale.

alpha. Angolo assi principali: angolo di rotazione tra gli assi principali e i piani di riferimento della sezione trasversale. Questo parametro è elencato come parametro famiglia di Analisi strutturale.

Profilato a C con piega

B. Larghezza: larghezza esterna della forma di sezione.

H. Altezza: altezza esterna della forma di sezione.

h1. Lunghezza orlo: distanza tra la superficie esterna della forma di sezione e l'estremità del segmento dell'orlo.

b1. Lunghezza piega: distanza tra la superficie esterna del segmento dell'orlo e l'estremità del segmento della piega.

T. Spessore di progettazione parete: spessore perpendicolare di progettazione tra le superfici interna ed esterna di una forma di sezione.

t. Spessore nominale parete: distanza perpendicolare media tra le superfici interna ed esterna della forma di sezione.

r1. Raccordo interno: raggio del raccordo su angolo interno di una curvatura in una forma di sezione in acciaio lavorato a freddo.

r2. Raccordo esterno: raggio del raccordo su angolo esterno di una curvatura in una forma di sezione in acciaio lavorato a freddo.

y. Baricentro orizzontale: distanza tra il baricentro della forma di sezione e le estremità sinistre lungo l'asse orizzontale.

z. Baricentro verticale: distanza tra il baricentro della forma di sezione e le estremità inferiori lungo l'asse verticale.

alpha. Angolo assi principali: angolo di rotazione tra gli assi principali e i piani di riferimento della sezione trasversale. Questo parametro è elencato come parametro famiglia di Analisi strutturale.

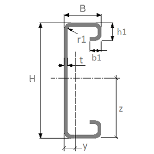
Profilato a C con orli

B. Larghezza: larghezza esterna della forma di sezione.

H. Altezza: altezza esterna della forma di sezione.

h1. Lunghezza orlo: distanza tra la superficie esterna della forma di sezione e l'estremità del segmento dell'orlo.

T. Spessore di progettazione parete: spessore perpendicolare di progettazione tra le superfici interna ed esterna di una forma di sezione.

t. Spessore nominale parete: distanza perpendicolare media tra le superfici interna ed esterna della forma di sezione.

r1. Raccordo interno: raggio del raccordo su angolo interno di una curvatura in una forma di sezione in acciaio lavorato a freddo.

r2. Raccordo esterno: raggio del raccordo su angolo esterno di una curvatura in una forma di sezione in acciaio lavorato a freddo.

y. Baricentro orizzontale: distanza tra il baricentro della forma di sezione e le estremità sinistre lungo l'asse orizzontale.

z. Baricentro verticale: distanza tra il baricentro della forma di sezione e le estremità inferiori lungo l'asse verticale.

alpha. Angolo assi principali: angolo di rotazione tra gli assi principali e i piani di riferimento della sezione trasversale. Questo parametro è elencato come parametro famiglia di Analisi strutturale.

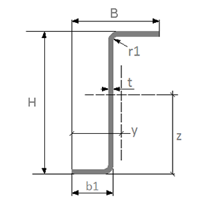
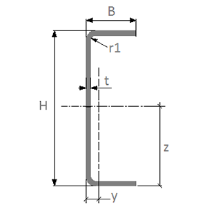
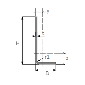
Profilato a L

B. Larghezza: larghezza esterna della forma di sezione.

H. Altezza: altezza esterna della forma di sezione.

T. Spessore di progettazione parete: spessore perpendicolare di progettazione tra le superfici interna ed esterna di una forma di sezione.

t. Spessore nominale parete: distanza perpendicolare media tra le superfici interna ed esterna della forma di sezione.

r1. Raccordo interno: raggio del raccordo su angolo interno di una curvatura in una forma di sezione in acciaio lavorato a freddo.

r2. Raccordo esterno: raggio del raccordo su angolo esterno di una curvatura in una forma di sezione in acciaio lavorato a freddo.

y. Baricentro orizzontale: distanza tra il baricentro della forma di sezione e le estremità sinistre lungo l'asse orizzontale.

z. Baricentro verticale: distanza tra il baricentro della forma di sezione e le estremità inferiori lungo l'asse verticale.

alpha. Angolo assi principali: angolo di rotazione tra gli assi principali e i piani di riferimento della sezione trasversale. Questo parametro è elencato come parametro famiglia di Analisi strutturale.

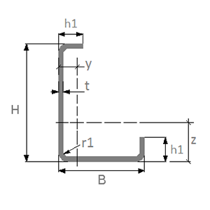
Profilato a L con orli

B. Larghezza: larghezza esterna della forma di sezione.

H. Altezza: altezza esterna della forma di sezione.

h1. Lunghezza orlo: distanza tra la superficie esterna della forma di sezione e l'estremità del segmento dell'orlo.

T. Spessore di progettazione parete: spessore perpendicolare di progettazione tra le superfici interna ed esterna di una forma di sezione.

t. Spessore nominale parete: distanza perpendicolare media tra le superfici interna ed esterna della forma di sezione.

r1. Raccordo interno: raggio del raccordo su angolo interno di una curvatura in una forma di sezione in acciaio lavorato a freddo.

r2. Raccordo esterno: raggio del raccordo su angolo esterno di una curvatura in una forma di sezione in acciaio lavorato a freddo.

y. Baricentro orizzontale: distanza tra il baricentro della forma di sezione e le estremità sinistre lungo l'asse orizzontale.

z. Baricentro verticale: distanza tra il baricentro della forma di sezione e le estremità inferiori lungo l'asse verticale.

alpha. Angolo assi principali: angolo di rotazione tra gli assi principali e i piani di riferimento della sezione trasversale. Questo parametro è elencato come parametro famiglia di Analisi strutturale.

Profilato a sigma

B. Larghezza: larghezza esterna della forma di sezione.

H. Altezza: altezza esterna della forma di sezione.

b2. Larghezza curvatura: distanza tra le estremità sinistre della forma di sezione e la superficie esterna del segmento di curvatura centrale.

h2. Lunghezza curvatura centrale: lunghezza della superficie interna del segmento di curvatura centrale.

T. Spessore di progettazione parete: spessore perpendicolare di progettazione tra le superfici interna ed esterna di una forma di sezione.

t. Spessore nominale parete: distanza perpendicolare media tra le superfici interna ed esterna della forma di sezione.

r1. Raccordo interno: raggio del raccordo su angolo interno di una curvatura in una forma di sezione in acciaio lavorato a freddo.

r2. Raccordo esterno: raggio del raccordo su angolo esterno di una curvatura in una forma di sezione in acciaio lavorato a freddo.

y. Baricentro orizzontale: distanza tra il baricentro della forma di sezione e le estremità sinistre lungo l'asse orizzontale.

z. Baricentro verticale: distanza tra il baricentro della forma di sezione e le estremità inferiori lungo l'asse verticale.

alpha. Angolo assi principali: angolo di rotazione tra gli assi principali e i piani di riferimento della sezione trasversale. Questo parametro è elencato come parametro famiglia di Analisi strutturale.

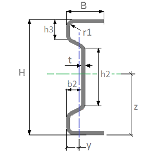
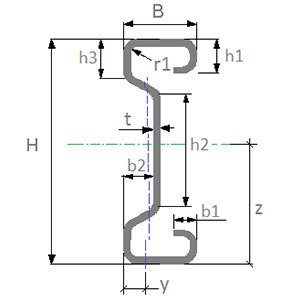
Profilato a sigma con piega

B. Larghezza: larghezza esterna della forma di sezione.

H. Altezza: altezza esterna della forma di sezione.

b1. Lunghezza piega: distanza tra la superficie esterna del segmento dell'orlo e l'estremità del segmento della piega.

h1. Lunghezza orlo: distanza tra la superficie esterna della forma di sezione e l'estremità del segmento dell'orlo.

b2. Larghezza curvatura: distanza tra le estremità sinistre della forma di sezione e la superficie esterna del segmento di curvatura centrale.

h2. Lunghezza curvatura centrale: lunghezza della superficie interna del segmento di curvatura centrale.

h3. Lunghezza curvatura superiore: distanza tra la superficie esterna della parte superiore della forma di sezione e l'estremità del segmento di curvatura superiore.

T. Spessore di progettazione parete: spessore perpendicolare di progettazione tra le superfici interna ed esterna di una forma di sezione.

t. Spessore nominale parete: distanza perpendicolare media tra le superfici interna ed esterna della forma di sezione.

r1. Raccordo interno: raggio del raccordo su angolo interno di una curvatura in una forma di sezione in acciaio lavorato a freddo.

r2. Raccordo esterno: raggio del raccordo su angolo esterno di una curvatura in una forma di sezione in acciaio lavorato a freddo.

y. Baricentro orizzontale: distanza tra il baricentro della forma di sezione e le estremità sinistre lungo l'asse orizzontale.

z. Baricentro verticale: distanza tra il baricentro della forma di sezione e le estremità inferiori lungo l'asse verticale.

alpha. Angolo assi principali: angolo di rotazione tra gli assi principali e i piani di riferimento della sezione trasversale. Questo parametro è elencato come parametro famiglia di Analisi strutturale.

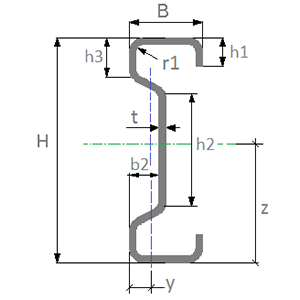
Profilato a sigma con orli

B. Larghezza: larghezza esterna della forma di sezione.

H. Altezza: altezza esterna della forma di sezione.

b2. Larghezza curvatura: distanza tra le estremità sinistre della forma di sezione e la superficie esterna del segmento di curvatura centrale.

h1. Lunghezza orlo: distanza tra la superficie esterna della forma di sezione e l'estremità del segmento dell'orlo.

h2. Lunghezza curvatura centrale: lunghezza della superficie interna del segmento di curvatura centrale.

h3. Lunghezza curvatura superiore: distanza tra la superficie esterna della parte superiore della forma di sezione e l'estremità del segmento di curvatura superiore.

T. Spessore di progettazione parete: spessore perpendicolare di progettazione tra le superfici interna ed esterna di una forma di sezione.

t. Spessore nominale parete: distanza perpendicolare media tra le superfici interna ed esterna della forma di sezione.

r1. Raccordo interno: raggio del raccordo su angolo interno di una curvatura in una forma di sezione in acciaio lavorato a freddo.

r2. Raccordo esterno: raggio del raccordo su angolo esterno di una curvatura in una forma di sezione in acciaio lavorato a freddo.

y. Baricentro orizzontale: distanza tra il baricentro della forma di sezione e le estremità sinistre lungo l'asse orizzontale.

z. Baricentro verticale: distanza tra il baricentro della forma di sezione e le estremità inferiori lungo l'asse verticale.

alpha. Angolo assi principali: angolo di rotazione tra gli assi principali e i piani di riferimento della sezione trasversale. Questo parametro è elencato come parametro famiglia di Analisi strutturale.

Profilato a Z

B. Larghezza: larghezza esterna della forma di sezione.

H. Altezza: altezza esterna della forma di sezione.

b1. Lunghezza ala inferiore: distanza tra la superficie interna della forma di sezione e l'estremità del segmento di ala inferiore.

T. Spessore di progettazione parete: spessore perpendicolare di progettazione tra le superfici interna ed esterna di una forma di sezione.

t. Spessore nominale parete: distanza perpendicolare media tra le superfici interna ed esterna della forma di sezione.

r1. Raccordo interno: raggio del raccordo su angolo interno di una curvatura in una forma di sezione in acciaio lavorato a freddo.

r2. Raccordo esterno: raggio del raccordo su angolo esterno di una curvatura in una forma di sezione in acciaio lavorato a freddo.

y. Baricentro orizzontale: distanza tra il baricentro della forma di sezione e le estremità sinistre lungo l'asse orizzontale.

z. Baricentro verticale: distanza tra il baricentro della forma di sezione e le estremità inferiori lungo l'asse verticale.

alpha. Angolo assi principali: angolo di rotazione tra gli assi principali e i piani di riferimento della sezione trasversale. Questo parametro è elencato come parametro famiglia di Analisi strutturale.

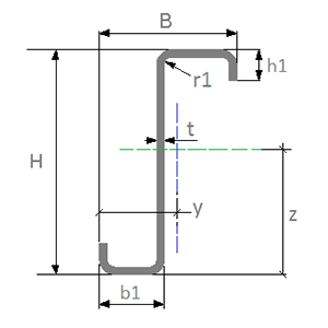
Profilato a Z con orli

B. Larghezza: larghezza esterna della forma di sezione.

H. Altezza: altezza esterna della forma di sezione.

b1. Lunghezza ala inferiore: distanza tra la superficie interna della forma di sezione e l'estremità del segmento di ala inferiore.

h1. Lunghezza orlo: distanza tra la superficie esterna della forma di sezione e l'estremità del segmento dell'orlo.

T. Spessore di progettazione parete: spessore perpendicolare di progettazione tra le superfici interna ed esterna di una forma di sezione.

t. Spessore nominale parete: distanza perpendicolare media tra le superfici interna ed esterna della forma di sezione.

r1. Raccordo interno: raggio del raccordo su angolo interno di una curvatura in una forma di sezione in acciaio lavorato a freddo.

r2. Raccordo esterno: raggio del raccordo su angolo esterno di una curvatura in una forma di sezione in acciaio lavorato a freddo.

y. Baricentro orizzontale: distanza tra il baricentro della forma di sezione e le estremità sinistre lungo l'asse orizzontale.

z. Baricentro verticale: distanza tra il baricentro della forma di sezione e le estremità inferiori lungo l'asse verticale.

alpha. Angolo assi principali: angolo di rotazione tra gli assi principali e i piani di riferimento della sezione trasversale. Questo parametro è elencato come parametro famiglia di Analisi strutturale.