Attivazione della visibilità della quotatura del disegno automatica

La quotatura del disegno automatica è disattivata per default. Viene visualizzata se nella famiglia è presente almeno una quota con testo etichetta.

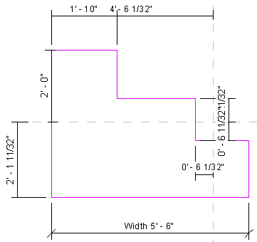
Nell'immagine seguente è mostrata l'aggiunta di una quota senza testo etichetta alla geometria.

Non è visibile alcuna quota automatica del disegno.

Come attivare la visibilità delle quote automatiche del disegno

  1. In modalità di disegno, fare clic sulla scheda Vistagruppo Grafica (Visibilità/Grafica), oppure digitare VG.
  2. Nella scheda Categorie di annotazioni della finestra di dialogo Sostituzioni visibilità/grafica, espandere la categoria Quote, selezionare Quote e quindi selezionare Quotatura del disegno automatica.
  3. Fare clic su OK.
  4. Posizionare una quota e assegnarle un testo etichetta.

    Viene visualizzata la quotatura del disegno automatica.

È stato così definito in Revit LT il posizionamento di ciascuna linea della geometria rispetto ai piani di riferimento o ad altre linee di disegno.

Man mano che si aggiungono quote bloccate, le quote automatiche del disegno vengono sostituite, come mostrato in figura.