寸法値は、単一の計測値として表示することも、2 種類の計測単位で表示することもできます。どちらの場合にも、数値の表示方法を詳細に指定できます。
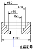
基本単位の設定では、単位形式、数値の精度、十進数の区切りスタイルなどの寸法値の表示をコントロールします。たとえば、次の図に示すように直径記号を接頭語として入力することができます。任意の接頭語を指定すると、通常は直径寸法と半径寸法を示すために使用される接頭語(ユニコード 2205 および R)の代わりに表示されます。

これらの設定は、[寸法スタイルを修正]または[寸法スタイルを新規作成]ダイアログ ボックスの[基本単位]タブで行います。
同時に 2 種類の計測単位で寸法を記入することができます。この機能は、メートル法の単位を使用して作成された図面にフィート/インチの寸法を追加するときによく使用されます。寸法値の表記では、変換単位は角括弧([ ])で囲んだ形式で表示されます。変換単位は角度寸法には使用できません。
[変換単位を記入]チェック ボックスをオンにしているときに、長さ寸法を編集すると、指定する変換尺度値が計測値に掛けられます。この変換尺度値は、現在の計測単位あたりの変換単位の数値を示します。フィート/インチ単位の既定値は 25.4 で、これは 1 インチ当たりのミリメートルの数値です。メートル単位の既定値は約 0.0394 で、これは 1 ミリメートルあたりのインチの数値です。 小数点以下の桁数は、変換単位の精度で指定します。
たとえばフィート/インチ単位の場合、変換尺度が既定値の 25.4 で、変換精度が 0.00 であれば、寸法は次の図のように表示されます。
