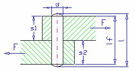
有効ピン長さ
ピンの有効な長さ l f は、面取りおよびフィレットを行うことで短くなります。有効長さは通常、荷重を支えます。
式
せん断応力チェック
接触圧力チェック
記号の説明(メートル単位):
| τ |
せん断応力[MPa] |
|
τ A |
許容せん断応力[MPa] |
|
d |
ピン径[mm] |
|
p 1 |
上盤における圧力[MPa] |
|
p 2 |
下盤における圧力[MPa] |
|
p 1A |
上盤における許容圧力[MPa] |
|
p 2A |
下盤における許容圧力[MPa] |
|
s 1 |
上盤の厚さ[mm] |
|
s 2 |
下盤の厚さ[mm] |
記号の説明(英国単位):
| τ |
せん断応力[psi] |
|
τ A |
許容せん断応力[psi] |
|
d |
ピン径[インチ] |
|
p 1 |
上盤における圧力[psi] |
|
p 2 |
下盤における圧力[psi] |
|
p 1A |
上盤における許容圧力[psi] |
|
p 2A |
下盤における許容圧力[psi] |
|
s 1 |
上盤の厚さ[インチ] |
|
s 2 |
下盤の厚さ[インチ] |