固定ピン ジェネレータ

有効ピン長さ

ピンの有効な長さ l f は、面取りおよびフィレットを行うことで短くなります。有効長さは通常、荷重を支えます。

せん断応力チェック

接触圧力チェック

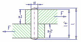
記号の説明(メートル単位):

τ

せん断応力[MPa]

τ A

許容せん断応力[MPa]

d

ピン径[mm]

p 1

上盤における圧力[MPa]

p 2

下盤における圧力[MPa]

p 1A

上盤における許容圧力[MPa]

p 2A

下盤における許容圧力[MPa]

s 1

上盤の厚さ[mm]

s 2

下盤の厚さ[mm]

記号の説明(英国単位):

τ

せん断応力[psi]

τ A

許容せん断応力[psi]

d

ピン径[インチ]

p 1

上盤における圧力[psi]

p 2

下盤における圧力[psi]

p 1A

上盤における許容圧力[psi]

p 2A

下盤における許容圧力[psi]

s 1

上盤の厚さ[インチ]

s 2

下盤の厚さ[インチ]