自動スケッチ寸法は既定でオフになっています。ファミリ内に少なくとも 1 つのラベル付き寸法がある場合に、自動スケッチ寸法は表示されます。
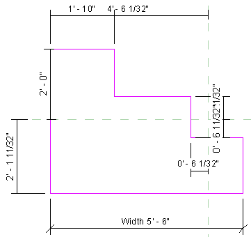
次のイメージでは、ジオメトリに追加された寸法があっても、寸法にはラベルがないことに注目してください。

自動スケッチ寸法はどれも表示されていません。
自動スケッチ寸法の表示をオンにするには
[グラフィックス]パネル
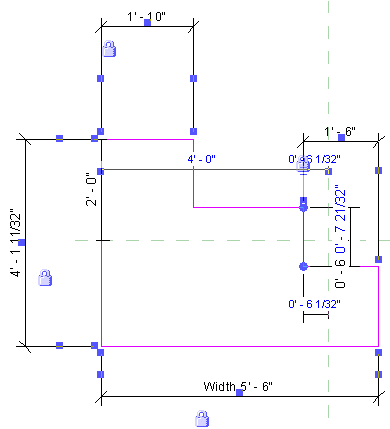
(表示/グラフィックス)をクリックするか、VG と入力します。 自動スケッチ寸法が表示されます。

これで、このジオメトリの各線分の、参照面または他のスケッチ線に対する位置が Revit で認識されます。
ロックされた寸法を追加すると、図のように、自動スケッチ寸法が置き換えられます。
