기본값 이외의 객체를 거리 스냅의 기준으로 사용
홈 탭
치수 패널
파워 치수
를 클릭합니다.
찾기
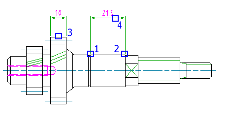
첫 번째 치수보조선 원점(1)과 두 번째 치수보조선 원점(2)을 지정합니다.
치수선 위치에 대한 메시지가 표시되면 P를 입력합니다.
거리 스냅의 기준으로 사용할 객체(3)를 선택합니다.
포인터를 원하는 치수 위치와 방향으로 이동합니다. 클릭하여 치수선(4)을 배치합니다.
주:
객체로부터 사전 설정된 거리에 스냅되면 치수선이 빨간색으로 바뀝니다.
파워 치수기입 리본 상황별 탭의 설정을 사용해 치수를 필요한 대로 편집하거나
파워 치수기입 탭
미리 정의 드롭다운
을 클릭합니다.
찾기
을 클릭하고 미리 정의된 치수 문자 템플릿을 선택합니다.
파워 치수기입 탭
닫기 패널
편집기 닫기
를 클릭합니다.
찾기
관련 개념
파워 치수 정보
선형 치수 작성 정보
관련 태스크
임시로 거리 스냅 값 변경
임시로 거리 스냅 끄기
거리 스냅 설정 구성
관련 참조
파워 치수 작성을 위한 명령