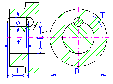
접합 핀 생성기

권장값

d = (0.12 - 0.25) D

l = (1 - 1.5) D

활성 핀 길이

핀 활성 길이 l f 는 모따기 및 모깎기에 의해 줄어든 길이입니다. 활성 길이는 일반적으로 하중을 수반합니다.

미터법 단위 공식

전달된 토크

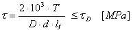
전단 응력 검사

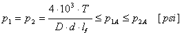
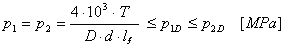
접촉 압력 검사

설명:

 

P

전달된 동력 [kW]

 

n

속도 [rpm]

 

T

토크 [Nm]

  τ

전단 응력 [MPa]

 

τ A

허용 전단 응력 [MPa]

 

d

핀 지름 [mm]

 

p 1

샤프트 내의 압력 [MPa]

 

p 2

허브 내의 압력 [MPa]

 

p 1A

샤프트 내의 허용 압력 [MPa]

 

p 2A

허브 내의 허용 압력 [MPa]

 

D

샤프트 지름 [mm]

 

D 1

허브 지름 [mm]

 

l f

활성 핀 길이 [mm]

영국식 단위 공식

전달된 토크

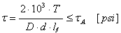
전단 응력 검사

접촉 압력 검사

설명:

 

P

전달된 동력 [HP]

 

n

속도 [rpm]

 

T

토크 [lb ft]

  τ

전단 응력 [psi]

 

τ A

허용 전단 응력 [psi]

 

d

핀 지름 [in]

 

p 1

샤프트 내의 압력 [psi]

 

p 2

허브 내의 압력 [psi]

 

p 1A

샤프트 내의 허용 압력 [psi]

 

p 2A

허브 내의 허용 압력 [psi]

 

D

샤프트 지름 [in]

 

D 1

허브 지름 [in]

 

l f

활성 핀 길이 [in]