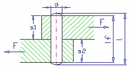
활성 핀 길이
핀 활성 길이 l f 는 모따기 및 모깎기에 의해 줄어든 길이입니다. 활성 길이는 일반적으로 하중을 수반합니다.
공식
전단 응력 검사
접촉 압력 검사
미터법 단위의 기호 해석:
τ |
전단 응력 [MPa] |
τ A |
허용 전단 응력 [MPa] |
d |
핀 지름 [mm] |
p 1 |
상단 보드의 압력 [MPa] |
p 2 |
하단 보드의 압력 [MPa] |
p 1A |
상단 보드의 허용 압력 [MPa] |
p 2A |
하단 보드의 허용 압력 [MPa] |
s 1 |
상단 보드의 두께 [mm] |
s 2 |
하단 보드의 두께 [mm] |
영국식 단위의 기호 해석:
τ |
전단 응력 [psi] |
τ A |
허용 전단 응력 [psi] |
d |
핀 지름 [in] |
p 1 |
상단 보드의 압력 [psi] |
p 2 |
하단 보드의 압력 [psi] |
p 1A |
상단 보드의 허용 압력 [psi] |
p 2A |
하단 보드의 허용 압력 [psi] |
s 1 |
상단 보드의 두께 [in] |
s 2 |
하단 보드의 두께 [in] |