점탄성 재질은 비선형 해석에서만 사용됩니다. 유형 드롭다운에서 점탄성을 선택하면 일반, 구조, 점탄성 및 실험 데이터 함수와 같은 재질 섹션을 사용할 수 있습니다.
-
일반 및 구조
- 일반 및 구조 섹션에서 탄성계수, 전단 계수, 푸아송 비, 열팽창 계수, 질량 밀도를 입력할 수 있습니다.
-
점탄성
- 점탄성은 일반화된 맥스웰 모델을 사용합니다. 편향 응력이 다음과 같이 지정됩니다.
여기서 각 이완 구성요소의 응력은 다음과 같이 계산됩니다.
및
은 이완이 없는 편향 응력입니다.
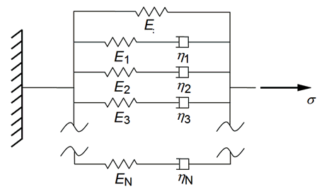
- 점탄성 이완은 전단 및/또는 벌크 계수에서 발생합니다. 다음 그림에서 계수 E는 전단 계수 G 또는 벌크 계수 K로 해석되어야 합니다.
설명
= 무한 시간의 강성
= 초기 시간의 강성
여기서
여기서
여기서
및
항은
인 TABVE 벌크 데이터 항목으로 사용하여 정의됩니다.
- 점탄성 재질 특성은 온도에 따라 크게 달라집니다. 다른 온도에서 재질 특성을 예상하는 대신 시간이 제대로 축척될 경우 높은 온도의 이완 곡선이 낮은 온도의 이완 곡선과 동일하다는 열유동학적 단순성이라는 가정을 사용합니다. Prony 시리즈의 이완 횟수는 다음 방정식으로 축척됩니다.
이때 서로 다른 두 가지 배율 조정 함수가 지원됩니다.
윌리엄 란델 페리:
아레니우스:
따라서 상수 C1 및 C2는 SHIFT 배율 조정 함수 선택에 따라 정의됩니다.
-
실험 데이터 함수
- 전단/벌크 계수 이완 함수 대 붕괴 계수와 같은 다른 계수에 대해 배율 조정 함수를 정의할 수 있습니다.
- G0 및 K0은 각각 전단 또는 벌크 계수 표현의 0번째 항입니다.
- GFUNC 및 KFUNC가 정의되지 않은 경우 E, G 및 NU 값을 사용하여 기본값을 정의합니다.