기타 강철 구조 프레임 요소의 단면 모양 치수 매개변수 값을 검토하고 수정합니다.
이러한 유형의 특성은 요소의 단면 모양 패밀리 카테고리 매개변수에서 작성됩니다.
| 단면 모양 | 사용 가능한 모양 치수 매개변수 |
|---|---|
직사각형 철근 ![]() |
B. 폭: 단면 모양의 외부 폭. H. 높이: 단면 모양의 외부 높이. y. 중심 수평: 단면 모양의 중심에서 수평 축을 따라 왼쪽 끝까지 거리. z. 중심 수직: 단면 모양의 중심에서 수직 축을 따라 아래 끝까지 거리. 알파. 주 축 각도: 주 축과 횡단면 참조 평면 간의 회전 각도. 이것은 구조 해석 패밀리 매개변수로 나열됩니다. |
원형 철근 ![]() |
D. 지름: 원형 단면 모양의 외부 지름. y. 중심 수평: 단면 모양의 중심에서 수평 축을 따라 왼쪽 끝까지 거리. z. 중심 수직: 단면 모양의 중심에서 수직 축을 따라 아래 끝까지 거리. 알파. 주 축 각도: 주 축과 횡단면 참조 평면 간의 회전 각도. 이것은 구조 해석 패밀리 매개변수로 나열됩니다. |
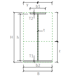
I-모양 용접(성곽 모양 및 용접 강철) ![]() |
B. 폭: 단면 모양의 외부 폭. H. 높이: 단면 모양의 외부 높이. T2. 상단 플랜지 두께: 성곽 모양 또는 용접 요소의 단면 모양에서 상단 플랜지의 외부 표면 간 거리. b1. 상단 플랜지 폭: 성곽 모양 또는 용접 요소의 단면 모양에서 상단 플랜지의 외부 폭. T1. 하단 플랜지 두께: 성곽 모양 또는 용접 요소의 단면 모양에서 하단 플랜지의 외부 표면 간 거리. b2. 하단 플랜지 폭: 성곽 모양 또는 용접 요소의 단면 모양에서 하단 플랜지의 외부 폭. t. 웹 두께: 단면 모양의 웹 외부 표면 간 거리. h. 웹 높이: 단면 모양의 플랜지 간 웹을 따른 거리. y. 중심 수평: 단면 모양의 중심에서 수평 축을 따라 왼쪽 끝까지 거리. z. 중심 수직: 단면 모양의 중심에서 수직 축을 따라 아래 끝까지 거리. 알파. 주 축 각도: 주 축과 횡단면 참조 평면 간의 회전 각도. 이것은 구조 해석 패밀리 매개변수로 나열됩니다. |