Poniżej opisano podstawowe elementy sterujące programu AutoCAD.
Po uruchomieniu programu AutoCAD kliknij przycisk Rozpocznij rysunek, aby rozpocząć nowy rysunek.

Program AutoCAD zawiera standardową wstążkę z kartami w górnej części obszaru rysunku. Na karcie Narzędzia główne można uzyskać dostęp do niemal wszystkich poleceń przedstawionych w tym podręczniku. Ponadto pokazany poniżej pasek narzędzi szybkiego dostępu zawiera znane polecenia, m.in. Nowy, Otwórz, Zapisz, Drukuj i Cofnij.

Punktem centralnym programu AutoCAD jest okno poleceń, które zazwyczaj jest zadokowane u dołu okna aplikacji. W oknie poleceń są wyświetlane monity, opcje i komunikaty.

Zamiast korzystać ze wstążki, paska narzędzi lub menu polecenia można wprowadzać bezpośrednio w oknie poleceń. Jest to metoda preferowana przez wielu doświadczonych użytkowników programu AutoCAD.
Należy zwrócić uwagę, że po rozpoczęciu wprowadzania nazwa polecenia jest automatycznie uzupełniana. Gdy, tak jak w poniższym przykładzie, dostępnych jest kilka opcji, można dokonać wyboru, klikając żądaną opcję lub przechodząc do niej klawiszami strzałek i naciskając klawisz Enter lub klawisz spacji.

Większość osób używa myszy jako urządzenia wskazującego, ale inne urządzenia oferują równorzędne funkcje.

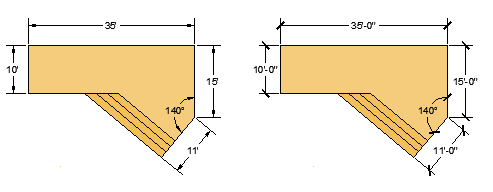
Dzięki określeniu ustawień tekstu, wymiarów, rodzajów linii i innych elementów można łatwo zapewnić zgodność z normami branżowymi lub firmowymi. Na przykład ten projekt tarasu przydomowego prezentuje dwa różne styl wymiaru.

Wszystkie te ustawienia można zapisać w pliku szablonu rysunku. Kliknij przycisk Nowy, aby wybrać jeden z kilku plików szablonu rysunku:


Znajdujące się na liście pliki szablonów z nazwą „Tutorial” w nazwie są prostymi przykładowymi szablonami przeznaczonymi do projektowania architektonicznego lub mechanicznego, opracowanymi zarówno w wersji calowej (i), jak i metrycznej (m). Można z nimi eksperymentować.
Większość firm używa plików szablonów rysunków, które są zgodne z normami wewnętrznymi firmy. Często też używa się różnych plików szablonów rysunku w zależności od projektu lub klienta.
Każdy plik rysunku (.dwg) można zapisać jako plik szablonu rysunku (.dwt). Można również otworzyć dowolny istniejący plik szablonu rysunku, zmodyfikować go, a następnie zapisać go, w razie potrzeby pod inną nazwą.

Niezależni projektanci mogą tworzyć własne pliki szablonów rysunku zgodnie ze swoimi preferencjami, a w miarę zapoznawania się z dalszymi funkcjami programu mogą dodawać ustawienia tych funkcji.
Aby zmodyfikować istniejący plik szablonu rysunku, kliknij przycisk Otwórz, określ typ pliku Szablon rysunku (*.dwt) w oknie dialogowym Wybierz plik i wybierz plik szablonu.

Podczas pierwszego uruchomienia rysunku należy zdecydować o długości pojedynczej jednostki — cal, stopa, centymetr, kilometr czy inna jednostka długości. Na przykład obiekty pokazane poniżej mogą reprezentować dwa budynki, każdy o długości 125 stóp, albo przekrój części mechanicznej mierzony w milimetrach.

Gdy zostanie wybrana jednostka długości, polecenie JEDN pozwala określić kilka ustawień wyświetlania jednostek, w tym między innymi:
Aby pracować w stopach i calach, użyj polecenia JEDN i ustaw typ jednostek na Architektoniczne, a następnie podczas tworzenia obiektów określaj ich długości w calach. Aby używać jednostek metrycznych, pozostaw ustawienie typu jednostek na Dziesiętne. Zmiana formatu i dokładności jednostek nie wpływa na wewnętrzną dokładność rysunku. Wpływa jedynie na sposób wyświetlania długości, kątów i współrzędnych w interfejsie użytkownika.
Modele należy zawsze tworzyć w pełnej skali rozmiaru (1:1). Termin model odnosi się do geometrii projektu. Rysunek zawiera geometrię modelu wraz z wyświetlonymi w układzie widokami, uwagami, wymiarami, objaśnieniami, tabelami i tabelką rysunkową .
Podczas tworzenia układu można określić skalę, która jest konieczna do wydrukowania rysunku na arkuszu o standardowym rozmiarze.

Naciśnij klawisz Esc, aby anulować operację wstępnego wyboru.