Aktywna długość sworznia
Aktywna długość sworznia 1 f jest długością zredukowaną o fazowanie i zaokrąglenie. Długość aktywna zazwyczaj przenosi obciążenia.
Wzory
Kontrola naprężenia ścinającego
Kontrola nacisku dla kontaktu
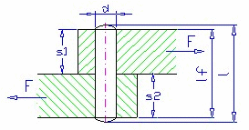
Interpretacja symboli w jednostkach metrycznych:
| τ |
naprężenie ścinające [MPa] |
|
τ A |
dopuszczalne naprężenie ścinające [MPa] |
|
d |
średnica sworznia [mm] |
|
p 1 |
nacisk na płytę górną [MPa] |
|
p 2 |
nacisk na płytę dolnej [MPa] |
|
p 1A |
dopuszczalny nacisk na płytę górną [MPa] |
|
p 2A |
dopuszczalny nacisk na płytę dolną [MPa] |
|
s 1 |
grubość płyty górnej [mm] |
|
s 2 |
grubość płyty dolnej [mm] |
Interpretacje symboli w jednostkach angielskich:
| τ |
naprężenie ścinające [psi] |
|
τ A |
dopuszczalne naprężenie ścinające [psi] |
|
d |
średnica sworznia [cal] |
|
p 1 |
nacisk na płytę górną [psi] |
|
p 2 |
nacisk w płycie dolnej [psi] |
|
p 1A |
dopuszczalny nacisk w płycie górnej [psi] |
|
p 2A |
dopuszczalny nacisk w płycie dolnej [psi] |
|
s 1 |
grubość płyty górnej [cal] |
|
s 2 |
grubość płyty dolnej [cal] |