Revise os controles básicos do AutoCAD.
Após iniciar o AutoCAD, clique no botão Iniciar desenho para iniciar um novo desenho.

O AutoCAD inclui uma faixa de opções padrão ao longo da parte superior da área de desenho. Na guia Início, é possível acessar quase todos os comandos apresentados na guia Início. Além disso, a barra de ferramentas de acesso rápido mostrada abaixo inclui os comandos habituais como Novo, Abrir, Salvar, Plotar, Desfazer, entre outros.

No centro do AutoCAD encontra-se a janela Comando, que normalmente é encaixada na parte inferior da janela do aplicativo. A janela Comando exibe os prompts, opções e mensagens.

É possível inserir comandos diretamente na janela Comando em vez de usar a faixa de opções, as barras de ferramentas e os menus. Muitos usuários antigos do AutoCAD preferem este método.
Observe que quando você começa a digitar um comando, ele é completado automaticamente. Quando há várias possibilidades disponíveis como no exemplo abaixo, é possível fazer sua escolha ao clicar ou utilizando as teclas de setas e pressionando Enter ou a barra de espaço.

A maioria dos usuários utiliza um mouse como seu dispositivo apontador, mas outros dispositivos têm controles equivalentes.

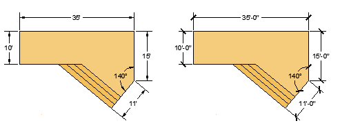
De forma fácil, é possível estar em conformidade com as normas da empresa ou do setor ao especificar as configurações para texto, cotas, tipos de linha e vários outros recursos. Por exemplo, este projeto de cobertura de jardim exibe dois estilos de cota diferentes.

Todas estas configurações podem ser salvas em um arquivo de modelo de desenho. Clique em Novo para selecionar entre vários arquivos de modelo de desenho:


Os arquivos de modelo "Tutorial" na lista são exemplos simples para as áreas de projetos de arquitetura ou de mecânica com as versões Imperial (i) e Métrica (m). Você pode experimentá-los o quanto quiser.
A maioria das empresas utiliza os arquivos de modelo de desenho que estejam em conformidade com as normas da empresa. Elas sempre utilizarão diferentes arquivos de modelo de desenho dependendo do projeto ou do cliente.
É possível salvar qualquer arquivo de desenho (*.dwg) como um arquivo de modelo de desenho (.dwt). Também é possível abrir um arquivo de modelo de um desenho existente, modificá-lo e, em seguida, salvá-lo novamente com outro nome de arquivo se necessário.

Se você trabalha de forma independente, é possível desenvolver seus arquivos de modelo de desenho para se adequar às suas preferências de trabalho, adicionando configurações para outros recursos conforme você se familiariza com os mesmos.
Para modificar um arquivo de modelo de desenho existente, clique em Abrir, especifique o tipo de arquivo de modelo de desenho (*.dwt) na caixa de diálogo Selecionar arquivo e escolha o arquivo de modelo.

Ao iniciar um desenho, você precisa decidir o que representa o tamanho de uma unidade: uma polegada, um pé, um centímetro, um quilômetro ou qualquer outra unidade de comprimento. Por exemplo, os objetos abaixo podem representar dois edifícios que têm 125 pés de comprimento ou podem representar um corte da peça mecânica medida em milímetros.

Após decidir a unidade de comprimento que deseja utilizar, o comando UNIDADES permite controlar diversas configurações de exibição de unidades, incluindo as seguintes:
Se você planeja trabalhar com pés e polegadas, utilize o comando UNIDADES para definir o tipo de unidade de arquitetura e a seguir, ao criar objetos, especifique seu comprimento em polegadas. Se você planeja usar unidades métricas, deixe o tipo de unidade definido como Decimal. Alterar o formato e a precisão da unidade não afeta a precisão interna de seu desenho. Somente afeta como os valores de comprimentos, ângulos e coordenadas são exibidos na interface do usuário.
Crie sempre seus modelos no tamanho de escala completa (1:1). O termo modelo faz referência à geometria do projeto. Um desenho inclui a geometria do modelo junto com as vistas, notas, cotas, balões de explicação, tabelas e o bloco da legenda exibidos no layout.
É possível especificar a escala necessária para imprimir um desenho incluído em uma chapa de metal, ao criar o layout.

Pressione Esc para cancelar esta operação de seleção prévia.