Para basear a Referência da distância em um Objeto diferente do padrão

  1. Clique na guia Iníciopainel CotaDimensionamento avançado. Pesquisa
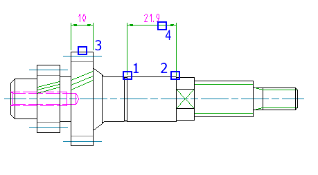
  2. Especifique a origem da primeira (1) e da segunda (2) linha de extensão.
  3. Quando a localização da linha de cota é solicitada, insira P.
  4. Selecione o objeto (3) no qual deseja basear o alinhamento da distância.
  5. Mova o cursor do mouse à posição e orientação desejadas da cota. Clique para colocar a linha de cota (4).
    Nota:

    A linha de cota se torna vermelha quando é alinhada a uma distância predefinida do objeto.

  6. Edite a cota solicitada usando os parâmetros da guia contextual da faixa de opções Dimensionamento avançado, ou clique na guia Dimensionamento avançadomenu suspenso Predefinido. Pesquisa e selecione um modelo de texto de cota predefinida.
  7. Clique na guia Dimensionamento avançadopainel FecharFechar editor. Pesquisa