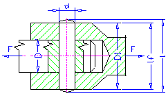
Valores recomendados:
d = (0,2 -0,3) D
D 1 = (1,5 - 2) D - para aço e aço fundido
D 1 = 2,5 D - para ferro fundido cinza
Comprimento ativo do pino
O comprimento ativo do pino l f diminui com os chanfros e as concordâncias e costuma suportar a carga. e costuma suportar a carga.
Fórmulas
Verificação de tensão de cisalhamento
Verificação de pressão de contato
Interpretações de símbolos em unidades métricas:
| τ |
tensão de cisalhamento [MPa]. |
|
τ A |
tensão de corte suportada [MPa] |
|
d |
diâmetro do pino [mm]. |
|
p 1 |
pressão na vareta de tração [MPa]. |
|
p 2 |
pressão na manga [MPa] |
|
p 1A |
pressão suportada na conexão [MPa] |
|
p 2A |
pressão suportada na vareta de tração [MPa] |
|
D |
diâmetro da vareta de tração [mm] |
|
D 1 |
diâmetro da conexão [mm] |
Interpretação de símbolos em unidades imperiais:
| τ |
tensão de cisalhamento [psi] |
|
τ A |
tensão de cisalhamento suportada [psi] |
|
d |
diâmetro do pino [pol] |
|
p 1 |
pressão na vareta de tração [psi] |
|
p 2 |
pressão na conexão [psi] |
|
p 1A |
pressão suportada na conexão [psi] |
|
p 2A |
pressão suportada na vareta de tração [psi] |
|
D |
diâmetro da vareta de tração [pol] |
|
D 1 |
diâmetro da conexão [pol] |