Формат табличных перекрестных ссылок

При использовании стиля табличных форматов перекрестных ссылок в окне предварительного просмотра показано, как будет выглядеть перекрестная ссылка в чертеже.

Формат графического шрифта:

Отображение формата перекрестных ссылок с использование графического шрифта в стиле JIC или IEC. Параметр применяется к графическому шрифту независимо от режима нанесения позиционных обозначений, назначенного в свойствах проекта.

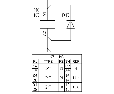
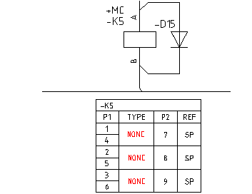
В следующих примерах представлены табличные перекрестные ссылки с использованием в табличном стиле формата графического шрифта. Значение "Наполнить ссылку данными" — "SP" для неиспользуемых дочерних (контактов).

JIC

IEC

Формат таблицы контактов:

Формат перекрестных ссылок с использованием значений типа перекрестных ссылок (NO, NC, NONC).

JIC

IEC

Формат соответствия графических образов:

Отображение формата перекрестных ссылок с использованием файла блока AutoCAD (.dwg) для представления типа контакта. Соответствие графических образов определяется в таблице _XREF_GRAPHICS в базе данных поиска в каталоге. Соответствующие графические образы для вставки ищутся в папках библиотек схем активного проекта.

JIC

IEC

Контакты и таблицы С-формы

Типовым контактом является тип контактов С-формы Он состоит из 2-х контактов — одного разомкнутого и одного замкнутого с общим номером вывода клеммы. Можно выбрать вставку обоих контактов Form C как двух отдельных графических образов или вместе, как один графический образ.

Пример с двумя графическими образами контакта С-формы

Обычный вывод находится с правой стороны рядом со столбцом ссылок и представлен в столбце Р2 таблицы.

JIC

IEC

Прим.: При использовании метода соответствия графических образов контакт Form C представлен одним графическим образом даже при вставке двух отдельных контактов.

Пример с одним графическим образом контакта С-формы

Обычный вывод находится с правой стороны рядом со столбцом ссылок и представлен в столбце Р2 таблицы.

JIC

IEC

Заменяемые параметры в названии таблицы

Стиль таблицы перекрестных ссылок поддерживает определение заменяемых параметров и отображение их в названии таблицы. Некоторые команды AutoCAD Electrical учитывают данную возможность при изменении чертежа.

Удалить компонент

При удалении компонента с таблицей перекрестных ссылок таблица также удаляется из чертежа.

Переназначить позиционные обозначения компонентов

При переназначении позиционных обозначений компонента (переназначение позиционных обозначений, перемещение компонента, перемещение цепи, редактирование компонента) таблица перекрестных ссылок обновляется в том случае, если позиционное обозначение входит в состав названия таблицы.

Редактировать компонент

При изменении заменяемого параметра для компонента с таблицей перекрестных ссылок название таблицы обновляется.

Копировать назначение каталожных номеров

При копировании другого номера по каталогу в родительский графический образ возможно обновление в реальном времени списка PINLIST, количества контактов и таблицы перекрестных ссылок.

Режим комбинированных позиционных обозначений функциональной группы/места

При изменении значений "Место" или "Функциональная группа" на уровне чертежа название таблицы перекрестных ссылок обновляется.

Копировать цепь

При копировании цепи с таблицей перекрестных ссылок название таблицы обновляется с учетом новых значений позиционных обозначений.

Вставить компонент

При вставке родительского компонента с таблицей перекрестных ссылок таблица вставляется в местположения атрибутов перекрестных ссылок (XREF и XREFNO). При вставке дочернего компонента таблица перекрестных ссылок для родительского компонента обновляется.

Быстрое перемещение

При быстром перемещении родительского компонента с таблицей перекрестных ссылок таблица также перемещается вдоль провода.

Прим.: При изменении номера компонента по каталогу или при добавлении номера спецификации по каталогу (в обоих случаях изменяются данные списка выводов) таблица перекрестных ссылок обновляется сразу же после выхода из диалогового окна "Вставить/Редактировать компонент". Кроме того, при изменении списка выводов родительского компонента вручную таблица перекрестных ссылок обновляется с учетом новых номеров выводов и измененного количества контактов сразу после выхода из диалогового окна "Вставить/Редактировать компонент".

Команды, не поддерживающие обновление перекрестных ссылок в реальном времени: