Генератор поперечного штифта

Рекомендуемые значения:

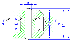
d = (0,2 -0,3) D

D 1 = (1,5 - 2) D - для обычной и литой стали

D 1 = 2,5 D - для серого чугуна

Активная длина штифта

Активная длина штифта l f - это длина, уменьшенная в результате снятия фасок и сопряжения. Активная длина, как правило, принимает на себя всю нагрузку.

Формулы

Проверка напряжения сдвига

Проверка контактного давления

Интерпретация символов в метрических единицах:

τ

напряжение среза [MПa].

τ A

допустимое напряжение среза [MПa].

d

диаметр штифта [мм].

p 1

давление в стержне [МПа].

p 2

давление в муфте [МПа].

p 1A

допустимое давление в муфте [МПа].

p 2A

допустимое давление в стержне [МПа].

D

диаметр стержня [мм].

D 1

диаметр муфты [мм].

Интерпретация символов в британских единицах:

τ

напряжение среза [фунт/кв.дюйм]

τ A

допустимое напряжение среза [фунт/кв.дюйм]

d

диаметр штифта [д]

p 1

давление в стержне [фунт/кв.дюйм]

p 2

давление в муфте [фунт/кв.дюйм]

p 1A

допустимое давление в муфте [фунт/кв.дюйм]

p 2A

допустимое давление в стержне [фунт/кв.дюйм]

D

диаметр стержня [д]

D 1

диаметр муфты [д]