此部件可叠加现有公路的一侧,并使用为外部行车道定义的超高坡度将一条或多条行车道添加到该侧边缘。

如果“叠加深度”非零,那么附着点将位于叠加层顶部的内侧边缘;如果“叠加深度”为零,那么附着点将位于加宽车道完工坡面上的内侧边缘。
注意:除非另有说明,否则所有标注均以米或英尺为单位。除非指明是带有“%”符号的百分比坡度,否则所有坡度均为“水平宽度比垂直高度”格式(例如,4:1)。
|
参数 |
描述 |
类型 |
默认值 |
|---|---|---|---|
|
控制点偏移 |
控制点的偏移,用于定义铺装叠加层的起点 |
数字 |
0.0 |
|
插入点偏移 |
加宽车道插入点的偏移,通常位于现有行车道边缘。为此参数指定正值可在道路或控制基准线的右侧插入此部件。指定负值会在左侧插入此部件。有关详细信息,请参见《AutoCAD Civil 3D 用户手册》帮助中,“道路”一章中的 在道路的右侧和左侧插入部件”。 |
数字 |
0.0 |
|
叠加深度 |
在控制点处,现有完工坡面上方的叠加深度。 |
正数 |
0.100 米 0.30 英尺 |
|
宽度 |
加宽车道的宽度 |
正数 |
3.6 米 12.0 英尺 |
|
铺装 1 深度 |
用于加宽车道的铺装 1 层的厚度;零表示忽略此参数 |
正数 |
0.025 米 0.083 英尺 |
|
铺装 2 深度 |
用于加宽车道的铺装 2 层的厚度;零表示忽略此参数 |
正数 |
0.025 米 0.083 英尺 |
|
基层深度 |
用于加宽车道的基层的厚度 |
正数 |
0.100 米 0.333 英尺 |
|
底基层深度 |
用于加宽车道的底基层的厚度 |
正数 |
0.300 米 1.0 英尺 |
本部分列出了此部件中可以被映射到一个或多个目标对象(例如图形中的曲面、路线或纵断面对象)的参数。有关详细信息,请参见 AutoCAD Civil 3D 用户手册帮助中的。
|
参数 |
描述 |
状态 |
|---|---|---|
|
现有曲面 |
定义现有道路的曲面的名称。以下对象类型可用作用于指定此曲面的目标:曲面。 |
必需 |
|
控制点偏移 |
可用于替代固定的“控制点偏移”值,并将该点连接到偏移路线。以下对象类型可用作用于指定此偏移的目标:路线、多段线、要素线或测量地物。 |
可选 |
|
插入点偏移 |
可用于替代固定的“插入点偏移”值,并将该点连接到偏移路线。以下对象类型可用作用于指定此偏移的目标:路线、多段线、要素线或测量地物。 |
可选 |
|
宽度 |
可用于替代固定的“加宽车道宽度”值,并将车道边缘连接到偏移路线。以下对象类型可用作用于指定此偏移的目标:路线、多段线、要素线或测量地物。 |
可选 |
|
参数 |
描述 |
类型 |
|---|---|---|
|
百分比坡度 |
在现有曲面上计算出的从“采样点”到“插入点”的坡度 |
数字 |
将从当前控制路线的路线特性得出外部车道的超高,然后确定“现有曲面”上“控制点偏移”处的高程。
如果给定的“叠加深度”非零,那么将在控制点处应用该叠加深度。叠加层的顶部将沿超高坡度扩展到“插入点偏移”处;将通过在控制点与插入点之间的“现有曲面”上叠合连接,然后在每个端点处添加垂直连接,从而闭合叠加造型。加宽车道将沿超高坡度从叠加曲面边缘向外扩展给定的宽度。
如果“叠加深度”为零,那么加宽车道将从“现有曲面”上的“插入点偏移”处沿超高坡度向外扩展给定的宽度。
铺装层将在每个端点处使用垂直连接来闭合。同时还将从底基层内侧边缘到现有曲面放置一个垂直连接。
在布局模式中,此部件可以附着到任一便利的点。叠加层将按统一的深度和 3.6 米(或 12 英尺)的宽度来显示,并以 -2% 的坡度扩展。如果“叠加深度”为零,那么叠加将显示为单个连接。加宽车道将从叠加边缘 -2% 的坡度扩展。
在道路建模模式中使用时,造型将被调整到选定的控制点、插入点、超高坡度和现有曲面。

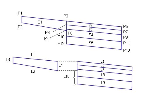
下表列出了此部件的已指定了代码值的点、连接和造型代码。此部件的未指定代码值的点、连接或造型代码不包含在此表中。
|
点、连接或造型 |
代码 |
描述 |
|---|---|---|
|
P5 |
ETW |
完工坡面上的加宽车道外侧边缘 |
|
P7 |
ETW_Pave1 |
铺装 1 曲面上的加宽车道外侧边缘 |
|
P9 |
ETW_Pave2 |
铺装 2 曲面上的加宽车道外侧边缘 |
|
P11 |
ETW_Base |
基准曲面上的加宽车道外侧边缘 |
|
P13 |
ETW_Sub |
底基层曲面上的加宽车道外侧边缘 |
|
L1、L5 |
Top, Pave |
完工坡面曲面 |
|
L2 |
Overlay |
“现有曲面”上的叠合连接。请注意,点 P3 与 P4 之间可能存在多个单一连接。 |
|
L6 |
Pave1 |
|
|
L7 |
Pave2 |
|
|
L8 |
Base |
|
|
L9 |
SubBase, Datum |
|
|
L10 |
Datum |
|
|
S1 |
Overlay |
叠加与现有车道之间的区域 |
|
S2 |
Pave1 |
|
|
S3 |
Pave2 |
|
|
S4 |
Base |
|
|
S5 |
SubBase |
