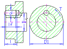
建议值
d = (0.12 - 0.25) D
l = (1 - 1.5) D
销有效长度
销有效长度 l f 是总长度减去倒角和圆角部分的长度之后的长度。有效长度通常承载载荷。
公制单位公式
传递的转矩
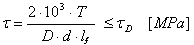
剪切应力校核
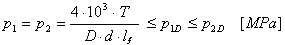
接触压力校核
其中:
|
P |
传递的功率 [kW] |
|
|
n |
速度 [rpm] |
|
|
T |
转矩 [Nm] |
|
| τ |
剪切应力 [MPa] |
|
|
τ A |
许用剪切应力 [MPa] |
|
|
d |
销直径 [mm] |
|
|
p 1 |
轴的压力 [MPa] |
|
|
p 2 |
轮毂的压力 [MPa] |
|
|
p 1A |
轴的许用压力 [MPa] |
|
|
p 2A |
轮毂的许用压力 [MPa] |
|
|
D |
轴直径 [mm] |
|
|
D 1 |
轮毂直径 [mm] |
|
|
l f |
销有效长度 [mm] |
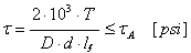
英制单位公式
传递的转矩
剪切应力校核
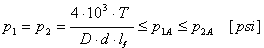
接触压力校核
其中:
|
P |
传递的功率 [HP] |
|
|
n |
速度 [rpm] |
|
|
T |
转矩 [lb ft] |
|
| τ |
剪切应力 [psi] |
|
|
τ A |
许用剪切应力 [psi] |
|
|
d |
销直径 [in] |
|
|
p 1 |
轴的压力 [psi] |
|
|
p 2 |
轮毂的压力 [psi] |
|
|
p 1A |
轴的许用压力 [psi] |
|
|
p 2A |
轮毂的许用压力 [psi] |
|
|
D |
轴直径 [in] |
|
|
D 1 |
轮毂直径 [in] |
|
|
l f |
销有效长度 [in] |