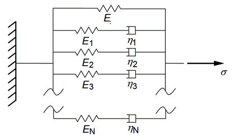
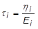
粘弹性

“粘弹性”材料仅用于非线性分析。从“类型”下拉列表中选择“粘弹性”后,以下材料部分可用:“常规”“结构”“粘弹性”“试验数据曲线”