放置钢筋接头
使用接头连接搭接或相邻钢筋实例。
视频:放置钢筋接头
需要在浏览器中启用Javascript 才能观看此视频。
单击“结构”选项卡
“钢筋”面板
(钢筋接头)。
单击接头放置方式:
“修改 | 插入钢筋接头”选项卡
“放置选项”面板
(放置在钢筋末端)
“修改 | 插入钢筋接头”选项卡
“放置选项”面板
(放置在两钢筋之间)
在“属性”选项板顶部的“类型”选择器中,选择所需的钢筋接头类型。接头尺寸必须与钢筋尺寸匹配才能进行连接。
在钢筋上放置接头。
对于在钢筋末端放置接头,请选择要放置接头的钢筋末端。
对于在两钢筋之间放置接头,请选择两个有效的钢筋实例。选定的第二根钢筋将根据需要重新定位和缩短,以便放置接头。
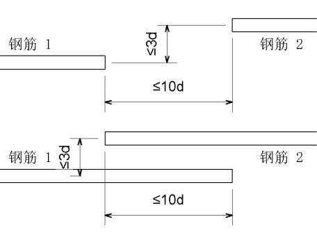
对于连接两个钢筋实例的接头,连接的两末端的间隔不得超过 10 倍钢筋直径。不能将钢筋相互偏移至超过 3 倍钢筋直径。
接头放置允差
父主题:
钢筋接头
相关概念
关于钢筋接头
相关任务
放置钢筋集
相关参考
钢筋接头实例属性
钢筋接头类型属性
相关信息
修改钢筋接头