檢閱基本 AutoCAD 控制。
在啟動 AutoCAD 之後,按一下「開始圖面」按鈕以開始新圖面。

AutoCAD 的整個繪圖區頂端包括標準頁籤式功能區。您可以從「常用」頁籤存取幾乎在此指南中提及的所有指令。此外,以下所示的快速存取工具列包括「新建」、「開啟」、「儲存」、「列印」和「退回」等熟悉的指令。

AutoCAD 的中心為指令視窗,其通常停靠在應用程式視窗底部。指令視窗會顯示提示、選項和訊息。

您可以直接在指令視窗中輸入指令,而無需使用功能區、工具列和功能表。許多 AutoCAD 的長期使用者偏好使用此方法。
請注意,當您開始鍵入指令時,指令就會自動完成。如果有下面範例所示的其他情形,您可以透過按一下,或者先使用方向鍵,然後再按 Enter 或空格鍵加以選擇。

大多數人使用滑鼠做為指向設備,但其他裝置也具有相同的控制能力。

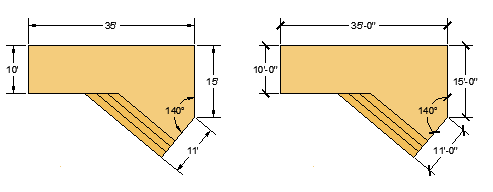
透過指定文字設定、標註、線型和數種其他功能,您可以輕鬆符合產業或公司的標準。例如,此後院底板設計顯示兩種不同的標註型式。

這些全部的設定可以儲存在圖面樣板檔中。按一下「新建」以從數個圖面樣板檔中進行選擇:


此清單中的「自學課程」樣板檔是提供建築或機械設計學科的簡單範例,該樣板具備英制 (i) 和公制 (m) 版本。您可能想要嘗試使用這些樣板。
大多數公司會使用符合公司標準的圖面樣板檔。他們通常會依據專案或客戶使用不同的圖面樣板檔。
您可以將任何圖面 (.dwg) 檔儲存成圖面樣板 (.dwt) 檔。您也可以開啟任何既有圖面樣板檔並進行修改,然後在需要時使用不同檔名再次儲存。

如果您是獨立作業,可以開發適合您工作偏好的圖面樣板檔,並在您熟悉工具後加入其他功能設定。
若要修改既有圖面樣板檔,請按一下「開啟」,在「選取檔案」對話方塊中指定「圖面樣板 (*.dwt)」,然後選擇樣板檔。

第一次開啟圖面時,您需要決定一個單位代表的長度,例如一英吋、一英呎、一公分、一公里或其他長度單位。例如,插圖中的物件可表示長度均為 125 英呎的兩個建築,或表示以公釐測量的機械零件剖面。

決定要使用的單位長度之後,UNITS 指令讓您可以控制數個單位顯示設定,包括以下設定:
如果您打算使用英呎和英吋,請使用 UNITS 指令將單位類型設定為「建築」,然後在建立物件時以英吋為單位指定長度。如果您計劃使用公制單位,請將單位類型設定為「十進位」。變更單位格式和精確度並不會影響圖面的內部精確度。這只會影響在使用者介面中顯示長度、角度和座標的方式。
永遠以完整大小建立模型 (1:1 比例)。術語模型是指您的設計的幾何圖形。圖面包括模型幾何圖形,具有視圖、註記、標註、圖說、表格和顯示在配置中的標題欄框。
您可以指定建立配置時,在標準大小圖紙上列印圖面所需的比例。

按 Esc 取消此預選作業。