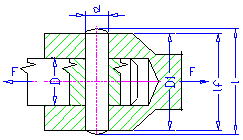
建議值:
d = (0.2 -0.3) D
D 1 = (1.5 - 2) D - 用於鋼和鑄鋼
D 1 = 2.5 D - 用於灰口鑄鐵
作用中的銷長度
作用中的銷長度 l f 是由倒角和圓角縮減後的長度。有效長度通常承載負載。
公式
剪切應力檢查
接觸壓力檢查
公制單位中的符號之解釋:
| τ |
剪應力 [MPa]。 |
|
τ A |
容許的剪應力 [MPa]。 |
|
d |
銷直徑 [mm]。 |
|
p 1 |
拉桿中的壓力 [MPa]。 |
|
p 2 |
套筒中的壓力 [MPa]。 |
|
p 1A |
套筒中容許的壓力 [MPa]。 |
|
p 2A |
拉桿中容許的壓力 [MPa]。 |
|
D |
拉桿直徑 [mm]。 |
|
D 1 |
套管直徑 [mm]。 |
英制單位中的符號之解釋:
| τ |
剪切應力 [psi] |
|
τ A |
允許的剪切應力 [psi] |
|
d |
銷直徑 [in] |
|
p 1 |
拉桿中的壓力 [psi] |
|
p 2 |
套筒中的壓力 [psi] |
|
p 1A |
套筒中允許的壓力 [psi] |
|
p 2A |
拉桿中允許的壓力 [psi] |
|
D |
拉桿直徑 [in] |
|
D 1 |
套管直徑 [in] |