黏彈性材料僅適用於非線性分析。從「類型」下拉式清單中選取「黏彈性」之後,以下材料區段將變為可用:「一般」、「結構」、「黏彈性」和「實驗資料功能」。
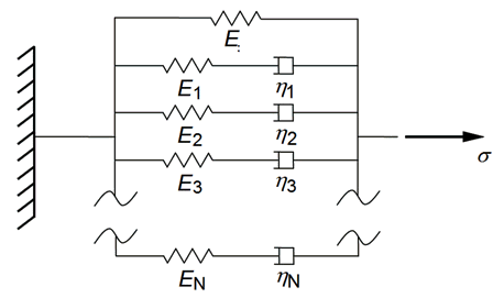
其中每個鬆弛分量上的應力計算:
以及
和
為不含鬆弛的偏應力。
其中,
= 無限長時間的剛性
= 初始時間的剛性
其中,
其中,
其中,
和
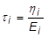
術語使用 TABVE 批量資料項目定義,其中
。
支援兩種不同的比例調整函數。
William-Landel-Ferry:
Arrhenius:
因此,常數 C1 和 C2 會根據 SHIFT 比例調整函數選項進行定義。