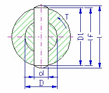
Doporučené hodnoty:
d = (0.2 -0.3) D
D 1 = (1,5 - 2) D – pro ocel a ocel na odlitky
D 1 = 2,5 D – pro šedé litiny
Aktivní délka kolíku
Aktivní délka kolíku l f je délka zkrácená zaoblením a zkosením. Aktivní délka obvykle nese zatížení.
Vzorce v metrických jednotkách
Napětí v ohybu
Tlak v táhle
Tlak ve vidlici
Smykové napětí
kde:
|
F |
síla [N] |
|
|
σ 0 |
ohybové napětí [MPa] |
|
|
σ 0D |
dovolené napětí v ohybu [MPa] |
|
|
M 0 |
ohybový moment [N mm] |
|
|
W 0 |
modul řezu v ohybu [ 3 mm] |
|
| τ |
smykové napětí [MPa] |
|
|
τ D |
přípustné smykové napětí [MPa] |
|
|
d |
průměr kolíku [mm] |
|
|
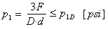
p 1 |
tlak v táhle [MPa] |
|
|
p 2 |
tlak ve vidlici [MPa] |
|
|
p 1D |
přípustný tlak v táhle [MPa] |
|
|
p 2D |
přípustný tlak ve vidlici [MPa] |
|
|
b |
šířka táhla [mm] |
|
|
a |
šířka ramene vidlice [mm] |
|
|
D |
průměr hřídele [mm] |
Vzorce v anglických jednotkách
Napětí v ohybu
Tlak v táhle
Tlak ve vidlici
Smykové napětí
kde:
|
F |
síla [lb] |
|
|
σ 0 |
ohybové napětí [psi] |
|
|
σ 0D |
přípustné napětí v ohybu [psi] |
|
|
M 0 |
ohybový moment [ln ft] |
|
|
W 0 |
modul průřezu v ohybu [in 3 ] |
|
| τ |
smykové napětí [psi] |
|
|
τ D |
přípustné smykové napětí [psi] |
|
|
d |
průměr kolíku [in] |
|
|
p 1 |
tlak v táhle [psi] |
|
|
p 2 |
tlak ve vidlici [psi] |
|
|
p 1D |
přípustný tlak v táhle [psi] |
|
|
p 2D |
přípustný tlak ve vidlici [psi] |
|
|
b |
šířka táhla [in] |
|
|
a |
šířka ramene vidlice [in] |
|
|
D |
průměr hřídele [in] |