Wenn Sie den grafischen Stil des Querverweisformats verwenden, ändert sich die Vorschau entsprechend und zeigt, wie der Querverweis in der Zeichnung dargestellt wird.
Zeigt das Querverweisformat unter Verwendung einer Grafikschrift im JIC- oder IEC-Stil an. Diese Einstellung wird unabhängig davon, welcher Kennzeichnungsmodus in den Projekteigenschaften zugewiesen ist, auf die Grafikschrift angewendet. Falls im eingefügten Betriebsmittel keine Querverweisüberschreibungen definiert sind, wird diese Einstellung den Zeichnungseigenschaften entnommen.
![]() JIC |
![]() IEC |
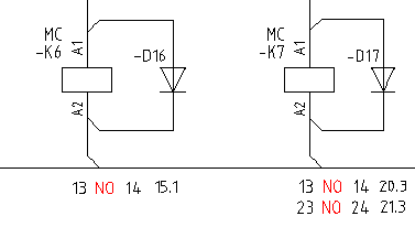
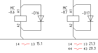
Im folgenden Beispiel werden Querverweise neben dem Symbol in Grafikschrift angezeigt, während die nicht verwendeten untergeordneten Elemente (Kontakte) als separate Querverweise angezeigt werden. Der Wert für Referenz füllen mit lautet "SP".
![]() JIC |
![]() IEC |
Zeigt das Querverweisformat mit Querverweistypwerten an (Schließer, Öffner, SCHLIESSÖFF).
![]() JIC |
![]() IEC |