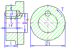
Empfohlene Werte
d = (0.12 - 0.25) D
l = (1 - 1.5) D
Aktive Stiftlänge
Die aktive Stiftlänge l f ist eine um Fasen und Rundungen reduzierten Länge. Die aktive Länge überträgt in der Regel die Belastung.
Formeln in metrischen Einheiten
Übertragenes Drehmoment
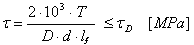
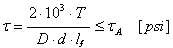
Kontrolle der Scherspannung
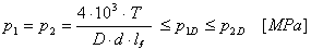
Kontrolle des Kontaktdrucks
Dabei gilt:
|
P |
Übertragene Leistung [kW] |
|
|
n |
Drehzahl [U/min] |
|
|
T |
Drehmoment [Nm] |
|
| τ |
Scherspannung [MPa] |
|
|
τ A |
Zulässige Scherspannung [MPa] |
|
|
d |
Stiftdurchmesser [mm] |
|
|
p 1 |
Druck in der Welle [MPa] |
|
|
p 2 |
Druck in der Nabe [MPa] |
|
|
p 1A |
Zulässiger Druck in der Welle [MPa] |
|
|
p 2A |
Zulässiger Druck in der Nabe [MPa] |
|
|
D |
Wellendurchmesser [mm] |
|
|
D 1 |
Nabendurchmesser [mm] |
|
|
l f |
Aktive Stiftlänge [mm] |
Formeln in englischen Einheiten
Übertragenes Drehmoment
Kontrolle der Scherspannung
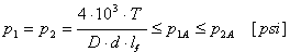
Kontrolle des Kontaktdrucks
Dabei gilt:
|
P |
Übertragene Leistung [HP] |
|
|
n |
Drehzahl [U/min] |
|
|
T |
Drehmoment [lb ft] |
|
| τ |
Scherspannung [psi] |
|
|
τ A |
Zulässige Scherspannung [psi] |
|
|
d |
Stiftdurchmesser [in] |
|
|
p 1 |
Druck in der Welle [psi] |
|
|
p 2 |
Druck in der Nabe [psi] |
|
|
p 1A |
Zulässiger Druck in der Welle [psi] |
|
|
p 2A |
Zulässiger Druck in der Nabe [psi] |
|
|
D |
Wellendurchmesser [in] |
|
|
D 1 |
Nabendurchmesser [in] |
|
|
l f |
Aktive Stiftlänge [in] |