Aktive Stiftlänge
Die aktive Stiftlänge l f ist eine um Fasen und Rundungen reduzierten Länge. Die aktive Länge überträgt in der Regel die Belastung.
Formeln
Kontrolle der Scherspannung
Kontrolle des Kontaktdrucks
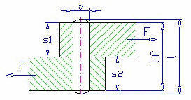
Bedeutung der Symbole für metrische Einheiten:
| τ |
Scherspannung [MPa] |
|
τ A |
Zulässige Scherspannung [MPa] |
|
d |
Stiftdurchmesser [mm] |
|
p 1 |
Druck in der oberen Platte [MPa] |
|
p 2 |
Druck in der unteren Platte [MPa] |
|
p 1A |
Zulässiger Druck in der oberen Platte [MPa] |
|
p 2A |
Zulässiger Druck in der unteren Platte [MPa] |
|
s 1 |
Dicke der oberen Platte [mm] |
|
s 2 |
Dicke der unteren Platte [mm] |
Bedeutung der Symbole für englische Einheiten:
| τ |
Scherspannung [psi] |
|
τ A |
Zulässige Scherspannung [psi] |
|
d |
Stiftdurchmesser [in] |
|
p 1 |
Druck in der oberen Platte [psi] |
|
p 2 |
Druck in der unteren Platte [psi] |
|
p 1A |
Zulässiger Druck in der oberen Platte [psi] |
|
p 2A |
Zulässiger Druck in der unteren Platte [psi] |
|
s 1 |
Dicke der oberen Platte [in] |
|
s 2 |
Dicke der unteren Platte [in] |