Bemaßungen für Querschnittsformen warmgewalzter Stahlelemente

Sie können die Werte der Bemaßungsparameter für Querschnittsformen warmgewalzter Stahltragwerkselemente überprüfen und ändern.

Diese Typeneigenschaften werden unter Verwendung des Familienkategorieparameters Querschnittsform für das Element erstellt.

Querschnittsform Verfügbare Bemaßungsparameter für die Form
Standardrohr

D. Durchmesser: der Außendurchmesser der runden Querschnittsform.

T. Wandstärke: die lotrechte Konstruktionsdicke zwischen der inneren und äußeren Oberfläche einer Querschnittsform.

t. Nominelle Wandstärke: der durchschnittliche lotrechte Abstand zwischen der inneren und äußeren Oberfläche der Querschnittsform.

y. Schwerpunkt horizontal: die Entfernung vom Schwerpunkt der Querschnittsform zum linken Ende entlang der horizontalen Achse.

z. Schwerpunkt vertikal: die Entfernung vom Schwerpunkt der Querschnittsform zum unteren Ende entlang der vertikalen Achse.

alpha. Winkel der Hauptachsen: der Drehwinkel zwischen den Hauptachsen und den Referenzebenen des Querschnitts. Dies wird als Familienparameter für die Tragwerksbemessung aufgelistet.

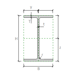
I-Profil mit parallelen Flanschflächen

BBreite: die äußere Breite der Querschnittsform.

H Höhe: die äußere Höhe der Querschnittsform.

T Flanschdicke: der Abstand zwischen den Außenflächen des Flanschs in der Querschnittsform.

t. Stegdicke: der Abstand zwischen den Außenflächen des Stegs in der Querschnittsform.

r. Stegabrundung: der Radius der Abrundung zwischen dem Steg und dem Flansch.

y. Schwerpunkt horizontal: die Entfernung vom Schwerpunkt der Querschnittsform zum linken Ende entlang der horizontalen Achse.

z. Schwerpunkt vertikal: die Entfernung vom Schwerpunkt der Querschnittsform zum unteren Ende entlang der vertikalen Achse.

alpha. Winkel der Hauptachsen: der Drehwinkel zwischen den Hauptachsen und den Referenzebenen des Querschnitts. Dies wird als Familienparameter für die Tragwerksbemessung aufgelistet.

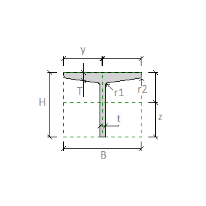
I-Profil mit geneigten Flanschflächen

BBreite: die äußere Breite der Querschnittsform.

H Höhe: die äußere Höhe der Querschnittsform.

T Flanschdicke: der Abstand zwischen den Außenflächen des Flanschs in der Querschnittsform.

t. Stegdicke: der Abstand zwischen den Außenflächen des Stegs in der Querschnittsform.

r1. Stegabrundung: der Radius der Abrundung zwischen dem Steg und dem Flansch.

r2. Flanschabrundung: der Radius der Abrundung am Ende eines Flanschs in der Querschnittsform.

y. Schwerpunkt horizontal: die Entfernung vom Schwerpunkt der Querschnittsform zum linken Ende entlang der horizontalen Achse.

z. Schwerpunkt vertikal: die Entfernung vom Schwerpunkt der Querschnittsform zum unteren Ende entlang der vertikalen Achse.

alpha. Winkel der Hauptachsen: der Drehwinkel zwischen den Hauptachsen und den Referenzebenen des Querschnitts. Dies wird als Familienparameter für die Tragwerksbemessung aufgelistet.

I-Profil Breitflansch

BBreite: die äußere Breite der Querschnittsform.

H Höhe: die äußere Höhe der Querschnittsform.

T Flanschdicke: der Abstand zwischen den Außenflächen des Flanschs in der Querschnittsform.

t. Stegdicke: der Abstand zwischen den Außenflächen des Stegs in der Querschnittsform.

r. Stegabrundung: der Radius der Abrundung zwischen dem Steg und dem Flansch.

y. Schwerpunkt horizontal: die Entfernung vom Schwerpunkt der Querschnittsform zum linken Ende entlang der horizontalen Achse.

z. Schwerpunkt vertikal: die Entfernung vom Schwerpunkt der Querschnittsform zum unteren Ende entlang der vertikalen Achse.

alpha. Winkel der Hauptachsen: der Drehwinkel zwischen den Hauptachsen und den Referenzebenen des Querschnitts. Dies wird als Familienparameter für die Tragwerksbemessung aufgelistet.

C-Profil mit parallelen Flanschflächen

BBreite: die äußere Breite der Querschnittsform.

H Höhe: die äußere Höhe der Querschnittsform.

T Flanschdicke: der Abstand zwischen den Außenflächen des Flanschs in der Querschnittsform.

t. Stegdicke: der Abstand zwischen den Außenflächen des Stegs in der Querschnittsform.

r. Stegabrundung: der Radius der Abrundung zwischen dem Steg und dem Flansch.

y. Schwerpunkt horizontal: die Entfernung vom Schwerpunkt der Querschnittsform zum linken Ende entlang der horizontalen Achse.

z. Schwerpunkt vertikal: die Entfernung vom Schwerpunkt der Querschnittsform zum unteren Ende entlang der vertikalen Achse.

alpha. Winkel der Hauptachsen: der Drehwinkel zwischen den Hauptachsen und den Referenzebenen des Querschnitts. Dies wird als Familienparameter für die Tragwerksbemessung aufgelistet.

C-Profil mit geneigten Flanschflächen

BBreite: die äußere Breite der Querschnittsform.

H Höhe: die äußere Höhe der Querschnittsform.

T Flanschdicke: der Abstand zwischen den Außenflächen des Flanschs in der Querschnittsform.

t. Stegdicke: der Abstand zwischen den Außenflächen des Stegs in der Querschnittsform.

r1. Stegabrundung: der Radius der Abrundung zwischen dem Steg und dem Flansch.

r2. Flanschabrundung: der Radius der Abrundung am Ende eines Flanschs in der Querschnittsform.

y. Schwerpunkt horizontal: die Entfernung vom Schwerpunkt der Querschnittsform zum linken Ende entlang der horizontalen Achse.

z. Schwerpunkt vertikal: die Entfernung vom Schwerpunkt der Querschnittsform zum unteren Ende entlang der vertikalen Achse.

alpha. Winkel der Hauptachsen: der Drehwinkel zwischen den Hauptachsen und den Referenzebenen des Querschnitts. Dies wird als Familienparameter für die Tragwerksbemessung aufgelistet.

L-Winkel

BBreite: die äußere Breite der Querschnittsform.

H Höhe: die äußere Höhe der Querschnittsform.

T Flanschdicke: der Abstand zwischen den Außenflächen des Flanschs in der Querschnittsform.

t. Stegdicke: der Abstand zwischen den Außenflächen des Stegs in der Querschnittsform.

r1. Stegabrundung: der Radius der Abrundung zwischen dem Steg und dem Flansch.

r2. Flanschabrundung: der Radius der Abrundung am Ende eines Flanschs in der Querschnittsform.

y. Schwerpunkt horizontal: die Entfernung vom Schwerpunkt der Querschnittsform zum linken Ende entlang der horizontalen Achse.

z. Schwerpunkt vertikal: die Entfernung vom Schwerpunkt der Querschnittsform zum unteren Ende entlang der vertikalen Achse.

alpha. Winkel der Hauptachsen: der Drehwinkel zwischen den Hauptachsen und den Referenzebenen des Querschnitts. Dies wird als Familienparameter für die Tragwerksbemessung aufgelistet.

I-Profil geteilt mit parallelen Flanschflächen

BBreite: die äußere Breite der Querschnittsform.

H Höhe: die äußere Höhe der Querschnittsform.

T Flanschdicke: der Abstand zwischen den Außenflächen des Flanschs in der Querschnittsform.

t. Stegdicke: der Abstand zwischen den Außenflächen des Stegs in der Querschnittsform.

r. Stegabrundung: der Radius der Abrundung zwischen dem Steg und dem Flansch.

y. Schwerpunkt horizontal: die Entfernung vom Schwerpunkt der Querschnittsform zum linken Ende entlang der horizontalen Achse.

z. Schwerpunkt vertikal: die Entfernung vom Schwerpunkt der Querschnittsform zum unteren Ende entlang der vertikalen Achse.

alpha. Winkel der Hauptachsen: der Drehwinkel zwischen den Hauptachsen und den Referenzebenen des Querschnitts. Dies wird als Familienparameter für die Tragwerksbemessung aufgelistet.

I-Profil geteilt mit geneigten Flanschflächen

BBreite: die äußere Breite der Querschnittsform.

H Höhe: die äußere Höhe der Querschnittsform.

T Flanschdicke: der Abstand zwischen den Außenflächen des Flanschs in der Querschnittsform.

t. Stegdicke: der Abstand zwischen den Außenflächen des Stegs in der Querschnittsform.

r1. Stegabrundung: der Radius der Abrundung zwischen dem Steg und dem Flansch.

r2. Flanschabrundung: der Radius der Abrundung am Ende eines Flanschs in der Querschnittsform.

y. Schwerpunkt horizontal: die Entfernung vom Schwerpunkt der Querschnittsform zum linken Ende entlang der horizontalen Achse.

z. Schwerpunkt vertikal: die Entfernung vom Schwerpunkt der Querschnittsform zum unteren Ende entlang der vertikalen Achse.

alpha. Winkel der Hauptachsen: der Drehwinkel zwischen den Hauptachsen und den Referenzebenen des Querschnitts. Dies wird als Familienparameter für die Tragwerksbemessung aufgelistet.

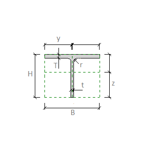
T-Profile

BBreite: die äußere Breite der Querschnittsform.

H Höhe: die äußere Höhe der Querschnittsform.

T Flanschdicke: der Abstand zwischen den Außenflächen des Flanschs in der Querschnittsform.

t. Stegdicke: der Abstand zwischen den Außenflächen des Stegs in der Querschnittsform.

r1. Stegabrundung: der Radius der Abrundung zwischen dem Steg und dem Flansch.

r2. Flanschabrundung: der Radius der Abrundung am Ende eines Flanschs in der Querschnittsform.

y. Schwerpunkt horizontal: die Entfernung vom Schwerpunkt der Querschnittsform zum linken Ende entlang der horizontalen Achse.

z. Schwerpunkt vertikal: die Entfernung vom Schwerpunkt der Querschnittsform zum unteren Ende entlang der vertikalen Achse.

alpha. Winkel der Hauptachsen: der Drehwinkel zwischen den Hauptachsen und den Referenzebenen des Querschnitts. Dies wird als Familienparameter für die Tragwerksbemessung aufgelistet.