About the Graphical Cross-Reference Format

When you use the graphical cross-reference format style, the preview image changes to show what the cross-reference looks like in the drawing.

Graphic Font Format

Displays the cross-reference format using the JIC-style or IEC-style graphical font. The setting is applied to the graphical font regardless of the tagging mode assigned in the project properties. This setting is taken from drawing properties if there are no cross-reference overrides specified on the inserted component.

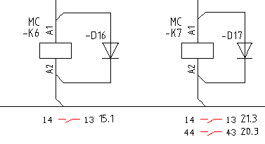
JIC

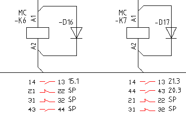
IEC

The following example displays cross-referencing next to the symbol in the graphic font format while the unused children (contacts) are displayed as separate references. The Fill Reference With value is “SP.”

JIC

IEC

Contact Mapping Format

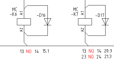
Displays the cross-reference format using cross-referencing type values (NO, NC, NONC).

JIC

IEC