This subassembly is used to overlay one side of an existing road, and add one or more travel lanes to the edge going around a curb return.
It is similar to the OverlayWidenMatchSlope1 subassembly, except that it extends inwards from an existing or proposed curb flange point.

The attachment point is at the outside edge of the lane widening section. Typically this subassembly is inserted inwards from the flange of an existing or proposed curb and gutter, or from the outside edge of pavement around a curb return.
Note: All dimensions are in meters or feet unless otherwise noted. All slopes are in run-over-rise form (for example, 4 : 1) unless indicated as a percent slope with a “%” sign.
|
Parameter |
Description |
Type |
Default |
|---|---|---|---|
|
Side |
Specifies which side of the attachment point this subassembly will be added. |
Boolean |
Left / Right |
|
Widening Width |
Width of the widening lane. |
Numeric, positive |
3.6 m 12.0 ft |
|
Overlay Width |
Width of the pavement overlay. |
Numeric, positive |
3.6 m 12.0 ft |
|
Slope |
Slope of the overlay and widening. |
Numeric |
- 2% |
|
Pave1 Depth |
Thickness of the Pave1 layer for the lane widening; zero to omit. |
Numeric, positive |
0.025 m 0.083 ft |
|
Pave2 Depth |
Thickness of the Pave2 layer for the lane widening; zero to omit. |
Numeric, positive |
0.025 m 0.083 ft |
|
Base Depth |
Thickness of the base layer for the lane widening. |
Numeric, positive |
0.100 m 0.333 ft |
|
Subbase Depth |
Thickness of the subbase layer for the lane widenin. |
Numeric, positive |
0.300 m 1.0 ft |
This section lists the parameters in this subassembly that can be mapped to one or more target objects, such as a surface, alignment, or profile object in a drawing. For more information, see in the AutoCAD Civil 3D User’s Guide Help.
|
Parameter |
Description |
Status |
|---|---|---|
|
Existing Surface |
Name of the Surface defining the existing roadway. The following object types can be used as targets for specifying this surface: surfaces. |
Required |
|
Widening Offset |
May be used to override the fixed Widening Width and tie the inside edge of widening to an alignment. The following object types can be used as targets for specifying this offset: alignments, polylines, feature lines, or survey figures. |
Optional |
|
Offset Overlay |
May be used to override the Overlay Width and tie the inside edge of overlay to an alignment. The following object types can be used as targets for specifying this offset: alignments, polylines, feature lines, or survey figures. |
Optional |
|
Overlay Profile |
May be used to override the Slope and tie the elevation of the inside edge of overlay to a profile, resulting in a calculated slope. The following object types can be used as targets for specifying this elevation: profiles, 3D polylines, feature lines, or survey figures. |
Optional |
|
Parameter |
Description |
Type |
|---|---|---|
|
%Slope |
The calculated slope on the existing surface from the Sample Point to the Insert Point |
Numeric |
The attachment point determines the offset and elevation of the outside edge of widening. The location of the inside edge of widening and inside edge of overlay are determined using the given widths and slope. Alignments can be used to override the given numeric widths. If the Overlay Profile is given, then the slope is calculated between the profile elevation at the inside edge of the overlay and the attachment point.
The following illustration shows a situation with an overlay offset profile. (If the Overlay Profile is given, then the slope is calculated between the profile elevation at the inside edge of the overlay and the attachment point.)

The following illustration shows a situation with no overlay offset profile.

It is important to note that slope from the left to right of this subassembly is the same. Also, the same slope is applied to all subsurfaces.
Finally, if overlay profile is attached, then we have to add vertical links (a) from “overly offset” to target (EG) surface, and (b) from end of overlay and beginning of widening to target (EG) surface, and (c) add links between two points along (tracing) target (EG) surface links.
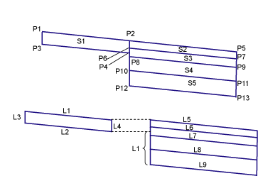
The area formed by this shape is to be coded as “Overlay” (S1) below in the coding diagram.
The overlay is the area between the top of the overlay and the existing ground, and may be a non-uniform depth.
In layout mode this subassembly is attached to any convenient point. The subassembly is shown at the given widths and slope. In modeling mode, the shapes adjust to the actual conditions defined by the existing surface and Runtime Logical alignments and profile.
The following table lists the point, link, and shape codes for this subassembly that have codes assigned to them. Point, link, or shape codes for this subassembly that do not have codes assigned are not included in this table.
| Point, Link, or Shape | Codes | Description |
|---|---|---|
| P5 | ETW | Outside edge of widening lane on finish grade |
| P7 | ETW_Pave1 | Outside edge of widening lane on Pave1 |
| P9 | ETW_Pave2 | Outside edge of widening lane on Pave2 |
| P11 | ETW_Base | Outside edge of widening lane on Base |
| P13 | ETW_Sub | Outside edge of widening lane on Subbase |
| L1, L5 | Top, Pave | Finish grade surface |
| L2 | Overlay | Superimposed over links on the Existing Surface. Note, there may be more than a single link between points P3 and P4. |
| L6 | Pave1 | |
| L7 | Pave2 | |
| L8 | Base | |
| L9 | SubBase, Datum | |
| L10 | Datum | |
| S1 | Overlay | Area between the overlay and existing lane. |
| S2 | Pave1 | |
| S3 | Pave2 | |
| S4 | Base | |
| S5 | SubBase |
