Automatic sketch dimensions are turned off by default. They display if there is at least one labeled dimension in the family.
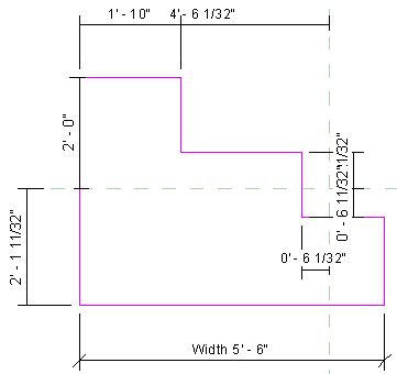
Notice in the following image that there is a dimension added to the geometry, but the dimension has no label.

No automatic sketch dimensions are visible.
To turn on visibility of automatic sketch dimensions
Graphics panel
(Visibility/Graphics), or type VG. The automatic sketch dimensions display.

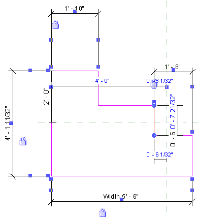
Revit now knows where each line of this geometry exists with respect to reference planes or other sketch lines.
As you add locked dimensions, they replace the automatic sketch dimensions, as shown.
